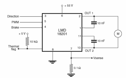
Este puente H puede controlar motores de varios ampères con tensiones hasta 55 V utilizando un circuito integrado LMD18201. Este circuito forma parte de mi libro Robotics, Mechatronics and Artificial Intelligence, publicado en los Estados Unidos. Los controles se realizan con señales lógicas TTL operando como shield.




