Este transmisor experimental puede ser utilizado como montaje didáctico en cursos de telecomunicaciones o enseñanza de tecnología, enviando las señales telegráficas moduladas en tono para un receptor de FM o VHF colocado a una distancia de hasta 200 metros.
El circuito puede operar en las bandas de 50 a 130 MHz, dependiendo de la bobina utilizada. La siguiente tabla muestra el número de espiras aproximado para las frecuencias deseadas.
5 a 7 espiras - 50 a 70 MHz
4 espiras - 80 a 100 MHz
2 espiras - por encima de 100 MHz
La modulación en tono es hecha por un multivibrador astable cuya frecuencia depende de dos resistores R1 y R2, los cuales pueden ser alterados en una amplia gama de valores.
Como antena se puede utilizar un pedazo de hilo rígido de 10 a 60 cm de longitud o una antena telescópica.
La alimentación puede realizarse por tensiones de 6 a 9 V obtenidas de fuente, pilas o batería.
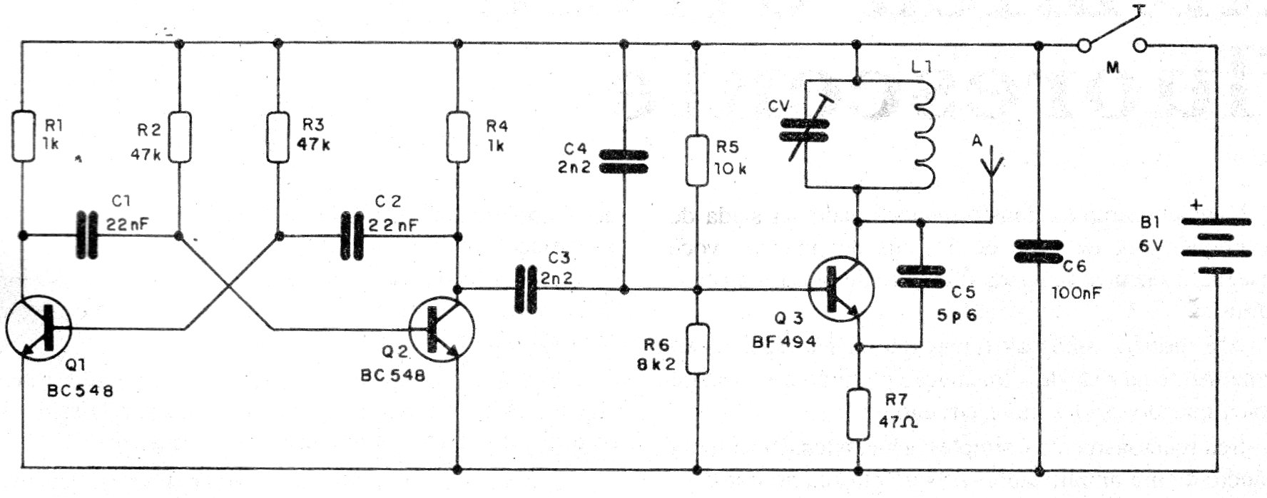
En la figura 1 tenemos el diagrama completo del transmisor.
El ideal para el montaje es utilizar una placa de circuito impreso, aunque el circuito también funcionará con técnicas de montaje menos convencionales como la matriz de contactos o incluso un puente de terminales aislados.
En la figura 2 tenemos la disposición de los componentes para un montaje en puente de terminales.
Los condensadores deben ser todos del tipo cerámico y las conexiones deben ser mantenidas las más cortas como sea posible.
CV es un trimmer común que puede ser tanto del tipo antiguo de porcelana como moderno de plástico con capacidad máxima de 5 a 30 pF.
Para probar, basta con apretar el, manipulador con el aparato conectado cerca de un receptor sintonizado en frecuencia libre y ajustar el trimmer para captar la señal con máxima intensidad.
Lista de material
Q1, Q2 - BC548 - transistores NPN de uso general
Q3 - BF494 o 2N2222 - transistores de RF o conmutación
L1 - Bobina - ver el texto
CV - trimmer - ver el texto
B1 - 6 a 9 V - pilas, fuente o batería
R1 y R4 - 1k ohms x 1/8 W-resistor - marrón, negro, rojo
R2 3 R3 - 47 k ohms x 1/8 W - resistores - amarillo, violeta, naranja
R5 - 10 k ohms x 1/8 W - resistor - marrón, negro, naranja
R6 - 8k2 ohms x 1/8 W - resistor - gris, rojo, rojo
R7 - 47 ohms x 1/8 W - resistor - amarillo, violeta, negro
C1 y C2 - 22 nF - capacitores cerámicos
C3 y C4 - 2n2 - capacitores cerámicos
C5 - 5p6 - capacitor de cerámica
C6 - 100 nF - capacitor de cerámica
Varios:
Puente de terminales o placa de circuito impreso, soporte de pilas, hilos, soldadura, etc.





