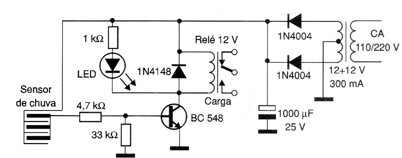
Este circuito dispara un relé que puede controlar una sirena u otro dispositivo de advertencia cuando caen las primeras gotas de lluvia en el sensor. El transformador es de 12 V para relés con esta tensión, pero se pueden utilizar relés de 6 V con cambio del transformador.




