Esta falsa alarma hace que dos LED parpadeen alternativamente dando la impresión de que está activo.
Con dos hilos conectados y que no van a ninguna parte, una cajita donde escribimos "alarma", da la impresión a un intruso de que un objeto o un lugar se encuentra protegido.
En la figura 1 damos una idea de lo que sería esta caja.
El circuito consiste en un multivibrador astable que activa dos LED en una frecuencia determinada por los condensadores.
El circuito se puede conectar a las pilas, ya que su consumo no es muy alto, y si se utiliza en el coche a la batería.
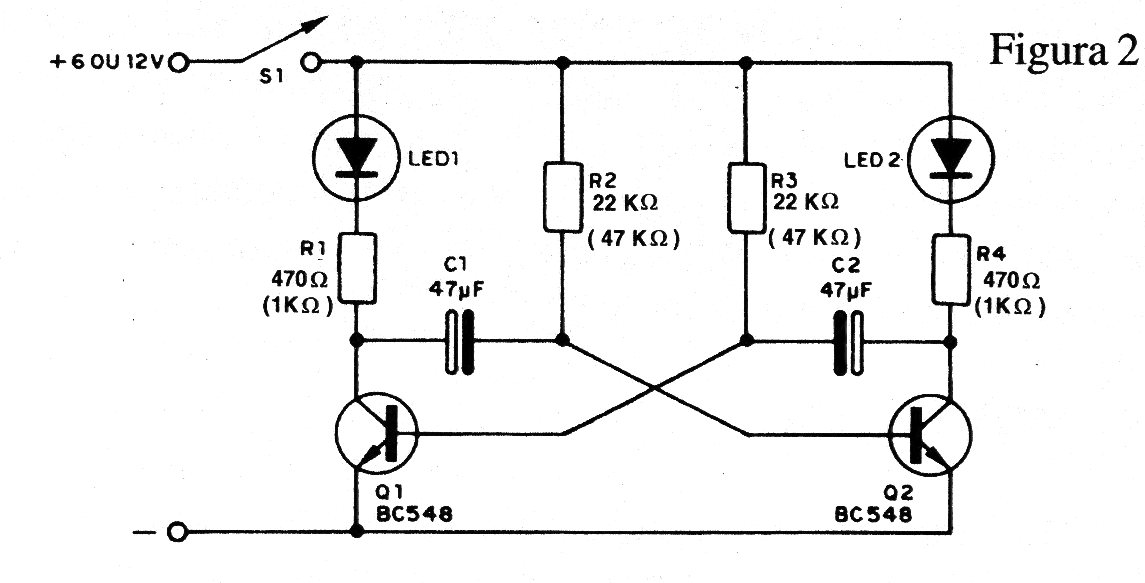
En la figura 2 tenemos el diagrama completo del aparato.
En la figura 3 tenemos el montaje sobre la base de una placa de circuito impreso.

Al realizar el montaje, observe la posición de los transistores y de los LEDs así como la posición de los condensadores electrolíticos.
Lista de Material
Q1, Q2 – BC548 – transistores
LED1, LED2 – LEDs rojo y verde
C1, C2 – 47 uF – capacitores electrolíticos
R1, R4 – 22 k ohms – resistores
R2, R4 – 470 ohms – resistores
Varios:
S1 – Interruptor
Puente de terminales o placa de circuito impreso, cajá, hilos, soldadura, etc.





