Este amplificador utiliza un transistor Darlington cuya ganancia de corriente puede llegar a 10 000 veces. Podemos entonces tener un amplificador de baja potencia con enorme ganancia, capaz de excitar un altavoz pequeño. Podemos usarlo en una radio experimental, como seguidor de señales, intercomunicadores y en muchas otras aplicaciones.
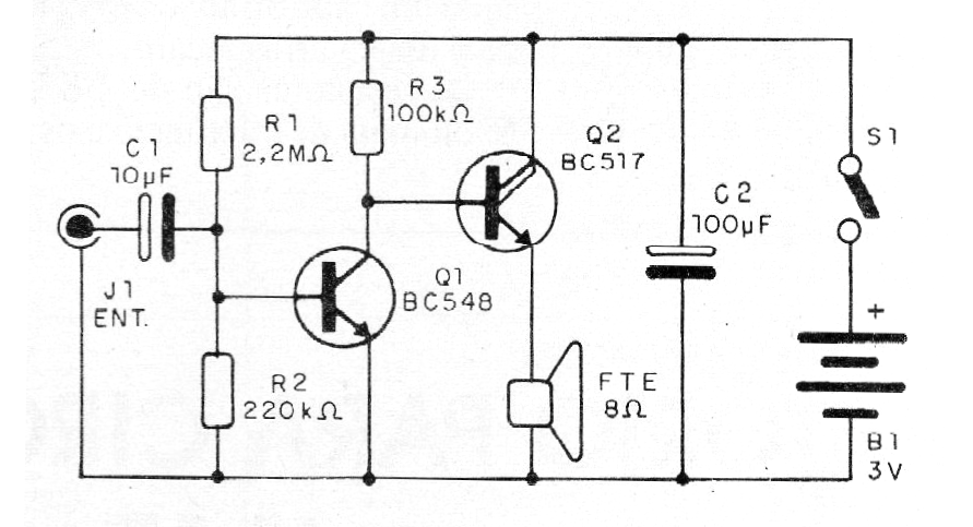
El circuito es alimentado por dos pilas pequeñas y se puede instalar en una caja plástica para ser utilizado en diversas aplicaciones. Los resistores pueden tener sus valores alterados para obtener el mejor rendimiento sin distorsión, conforme la aplicación. En la figura 1 tenemos el diagrama de este amplificador.
El montaje se puede realizar en una matriz de contactos, placa de circuito impreso o incluso de manera informal, en un puente de terminales, como muestra la figura 2.
Lista de material
Q1 - BC548 - transistores NPN de uso general
Q2 - BC517 - transistores Darlington NPN
R1 - 2,2 M ohms x 1/8 W - resistor - rojo, rojo, verde
R2 - 220 k ohms x 1/8 W - resistor - rojo, rojo, naranja
R3 - 100 k ohms x 1/8 W - resistor - marrón, negro, amarillo
C1- 10 uF x 6 V o más - capacitor electrolítico
C2 - 100 uF x 6 V o más - capacitor electrolítico
FTE-8 ohms x 5 cm - altavoz
B1 - 3 V - dos pilas pequeñas
S1 - Interruptor simple
Varios: puente de terminales o placa de circuito impreso, soporte de pilas, jack de entrada, hilos, soldadura, etc.





