Hay circuitos que son muy sensibles a las subidas de tensiones más allá de un valor determinado. En tales casos, aunque esto ocurra por unos pocos segundos, la quema de componentes importantes puede ocurrir. Para proteger un circuito o un equipo contra sobretensiones, presentamos un circuito simple que puede ser adaptado para operar con otros valores de tensiones de entrada y salida.
Nuestro circuito tiene como base un pequeño relé que se mantiene activado mientras la tensión de entrada se mantiene dentro de una determinada pista.
Sin embargo, si la tensión cae por debajo del punto de activación o sube a un valor por encima del ajuste en un trimpot, el circuito se deshace.
Para que la alimentación vuelva es necesario que la tensión esté normalizada y presione por un instante el interruptor S
Los pocos elementos usados en este circuito permiten su adaptación fácil en los aparatos que deben ser protegidos.
Sólo el relé eventualmente debe cambiarse caso. tenemos una carga a ser controlada con corrientes de más de 2 A.
CARACTERÍSTICAS
Tensión de entrada: 12 V
Rango de actuación: 12 a 15 V
Consumo: 50 mA (tip)
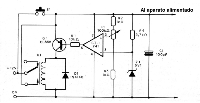
Cuando se presiona S1 el circuito es alimentado y, si la tensión está por debajo de la que se considera prohibida (sobretensión) por un previo ajuste de P1, el circuito operacional tiene su salida llevada al nivel bajo, energizando así la bobina del relé, que entonces atraca .
En estas condiciones, si soltamos S1 el circuito se mantiene alimentado, pues la corriente puede pasar por los contactos del relé.
El relé se mantendrá energizado mientras la tensión esté por debajo de la tensión ajustada. Si la tensión sobrepasa este valor, como la referencia en el pin 3 es fija, dada por el diodo zener Z1, ocurre el paso de la salida de CI, del nivel bajo al nivel alto.
En estas condiciones el transistor se lleva al corte y el relé desenergizado.
Con la desenergización del relé el circuito deja de recibir la alimentación, apagando.
El límite de accionamiento con sub-tensión es dado por la sensibilidad del relé.
En la figura 1 tenemos el diagrama completo del aparato.

Una sugerencia de disposición de componentes en placa de circuito impreso se muestra en la figura 2.

Para el circuito integrado, así como para el relé, sugerimos la utilización de un zócalo DIL.
El ajuste de P1 depende de la aplicación, lo que significa la posibilidad de utilizar trimpot o incluso potenciómetro.
El operacional electrolítico debe tener una tensión de trabajo mayor que la seleccionada para accionar el aparato.
El diodo zener es de 400 mW o más, y D1 puede ser el diodo de silicio de uso general.
Para ajustar el aparato, aplique en la entrada del circuito la tensión en que debe ocurrir el apagado del relé.
Hecho el ajuste la carga se puede conectar al circuito.
Observamos que el relé indicado admite una corriente máxima de contactos de 2 A.
Para mayores corrientes este componente debe ser reemplazado.
Semiconductores:
CI1 - 741 - circuito Integrado amplificador operacional
Q, - BC558 - transistores PNP de silicio
D1 - 1N4148 - diodo de silicio de uso general
Z2 - diodo zener de 6,1 V x 400 mW
Resistores (1/8 W, 5%):
R1 - 10 k ohms
R2, R3 - 1 k ohms
R4 - 2,7 k ohms
P1 - trImpot de 100 k ohms
Varios:
S1 - interruptor de presión
K1 - relé de 12 V
C1 - 100 uF - electrolítico
Placa de circuito Impreso, sockets para el Integrado y relé, hilos, soldadura, etc.



