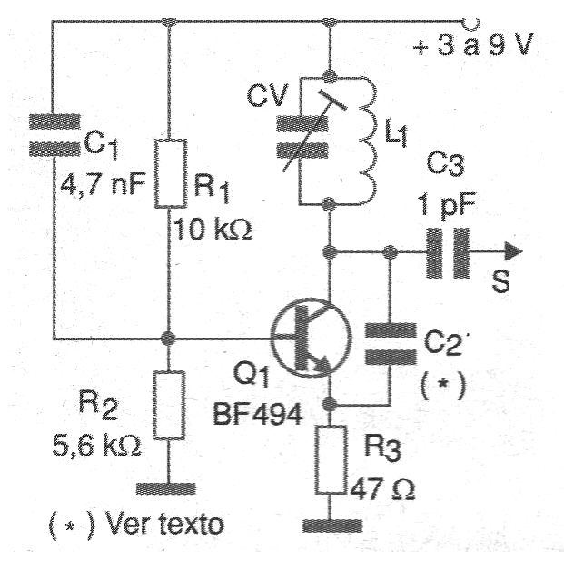
Hay casos en que un oscilador capaz de producir señales entre 30 MHz y 100 MHz se hace necesario en una bancada de desarrollo.

   La frecuencia del circuito mostrado en la figura 1 sólo depende de las espiras de la bobina que estarán entre 2 y 10 para el rango indicado.

   El cable puede ser el AWG 22 o 24 y el diámetro es 1 cm sin núcleo. C2 será de 1 a 4,7 pF para el rango de 70 a 100 MHz y de 10 pF para el rango de 30 MHz a 70 MHz.

   Los capacitores deben ser todos cerámicos y el trimmer es del tipo plástico con capacidad máxima de hasta 20 pF.

 


 

 

 

   La placa de circuito impreso para la implementación de este oscilador de alta frecuencia de uso general se muestra en la figura 2.

 


| Clique na imagem para ampliar |

 

 

 

Lista de material

 

Q1 - BF494 o equivalente - transistores de RF

L1 - Bobina - ver el texto

CV - trimmer - ver el texto

R1 - 10 k ohms x 1/8 W - resistor

R2 - 5,6 k ohms x 1/8 W - resistor

R3 - 47 ohms x 1/8 W - resistor

C1 - 4,7 nF - capacitor de cerámica

C2 - capacitor cerámico - ver texto

C3 - 1 a 4,7 pF - capacitor de cerámica

Varios:

Placa de circuito impreso, hilos, soldadura, etc.