Describimos en este artículo el montaje de un buen eliminador de batería de 9 V con estabilización de tensión por diodo zener y transistores, lo que no ocurre con la mayoría de los dispositivos comerciales de este tipo. La fuente proporciona 100 mA de corriente.
El eliminador proporciona un clip de batería que se encajará directamente en el conector ya existente en el aparato alimentado.
CARACTERÍSTICAS
Tensión de entrada:
110/220 V c.a.
Tensión de salida: 8,5 a 9,4 V.
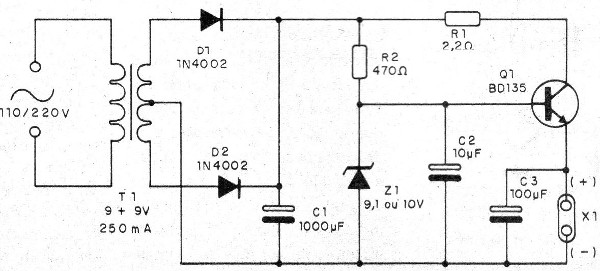
Después de la rectificación y filtración de la tensión de salida del transformador obtenemos una tensión mucho mayor, del orden de 13 V sin carga, ya que el capacitor de filtro C1 se carga prácticamente con la tensión de pico del secundario del transformador.
Por medio de un divisor de tensión formado por el zener y por R2 obtenemos una tensión fija de referencia, que puede ser de 9,1 o 10 V, para la base del transistor.
Esta tensión fija la conducción del transistor, ocurriendo entonces una caída del orden de 0,6 V en la unión base-emisor del transistor.
Esto significa que, con un zener de 9,1 V, obtenemos aproximadamente 8,5 V de salida y con un zener de 10 V obtenemos 9,4 V.
La mayoría de los aparatos funcionará perfectamente con 8,4 V, ya que las baterías convencionales suministran esta tensión e incluso menos después de algún tiempo de uso.
El transistor será responsable de la conducción de corriente para la carga, disipando la mayor potencia en el circuito.
En la figura 1 tenemos el diagrama completo del eliminador.

En la figura 2 tenemos la disposición de los componentes en una placa de circuito impreso.

El transistor debe estar dotado de un radiador de calor y puede utilizarse como BD137, BD139 o incluso TlP31.
X1 es un conector de batería que debe conectarse al circuito al contrario, es decir, el hilo negro al positivo y rojo al negativo.
Esto ocurre porque conectando este clip al del aparato alimentado, ocurre la inversión por el encaje y la alimentación se vuelve normal.
La prueba de funcionamiento es simple: basta con conectar la unidad y comprobar con un multímetro si la tensión entre 8,5 y 9,4 V se obtiene en la salida.
Al conectar la carga la tensión debe mantenerse. Si hay una caída excesiva puede ser necesario reducir R2 a 330 ohmios o incluso 270 ohmios.
Semiconductores:
Q1 - BD135 o equivalentes - transistores NPN de media potencia
Z1- 9,1 o 10 V x 400 mW - diodo zener
D1, D2 - 1N4002 o equivalentes - dlodos de silicio
Resistores:
R1 -2,2ohms x 1/8 W
R2 - 470 ohms x 1/8 W
Capacitores:
C1 - 1 000 uF x 25 V - electrolítico
C2 - 10 uF x 12 V - electrolítico
C3 - 100 uF x 12 V - electrolítico
Varios:
T1 - transformador con primario de acuerdo con la red local y secundaria de 9 + 9 V x 250 mA
X1 - Conector de batería de 9 V



