Muchos lectores querrían tener lámparas fuertes (y no LEDs) parpadeando en el ritmo de la música del aparato del sonido del coche o de otro tipo, alimentadas por 12 Volts. Como para parpadear lámparas de 12 V necesitamos una buena intensidad de corriente, sólo un circuito especial como el descrito en este artículo puede dar buenos resultados. El circuito presentado puede alimentar hasta 6 lámparas de 500 mA para una tensión de 6 Voltios o 12 Volts, según el ajuste o la tensión de entrada.
El circuito que presentamos produce un efecto visual muy interesante en el coche o desde equipos de sonido domésticos: hace que una o más lámparas parpadeen al ritmo de la música reproducida. ver que lo que difiere este circuito de los convencionales de panel es que en lugar de LEDs débiles funciona con lámparas, incluso las del propio interior del coche (cortesía) si el lector lo desea.
La configuración utilizada es bastante simple y puede operar directamente desde la salida de audio de cualquier equipo de sonido. Se conecta directamente a las salidas de los altavoces y si queremos un efecto estéreo basta con montar dos unidades iguales.
El lector puede utilizar lámparas blancas comunes como, si lo prefiere, lámparas de colores.
Características:
- Tensión de alimentación: 12 volts o más
- Corriente máxima de salida: 3 ampères
- Tensión de las lámparas: 6 o 12 volts (ver texto)
- Potencia mínima de audio para excitación: 50 mW
COMO FUNCIONA
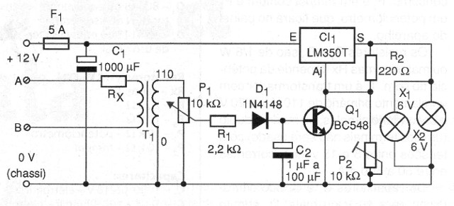
La base del proyecto es un circuito integrado LM350T que consiste en un regulador de tensión integrado para 3 amperios.
La tensión que este componente proporciona en su salida depende de la tensión aplicada en su terminal de referencia o ajuste (AJ). En las aplicaciones normales, un divisor de tensión formado por un trimpot y un resistor, como muestra la figura 1, fijan la tensión de salida que quedará entre 1,2 volts de mínimo a 2 o 3 volts por debajo de la tensión máxima de entrada que es de: 37 volts.

Sin embargo, como este circuito integrado es muy sensible, con pequeña potencia, podemos modular la tensión de salida y, por lo tanto, la tensión aplicada a un conjunto de lámparas, usando para ello un solo transistor (Q1).
Con el transistor en el corte (abierto) la tensión de salida es máxima y las lámparas se encienden con el brillo máximo. Con el transistor saturado, la tensión cae a cerca de 1,2 volts y las lámparas prácticamente se apaga.
Para producir variaciones de tensión de acuerdo con la música de un aparato de sonido a base del transistor se conecta a un circuito compuesto de un capacitor, dos resistores, un diodo, un potenciómetro y un transformador.
La resistencia Rx limita la potencia aplicada al circuito, siendo su valor función de la potencia del equipo de sonido, o del volumen en que se utiliza. Una tabla aproximada se da a continuación:
Potencia por canal = Valor de Rx
(Watts) = (ohms x watts)
0 a 2 = 10 ohms x 1/2 W
2 a 5 = 22 ohms x 1/2 W
5 a 20 = 47 ohms x 1/2 W
20 a 50 = 100 ohms x 1 W
por encima de 50 = 220 ohms x 1 W
Es importante observar que muchos equipos de sonido indican potencia que realmente no corresponden al valor real. Así, es común tener aparatos que se dicen "con más de 50 watts por canal, y que en realidad no suministran potencias reales de más de 10 watts e incluso menos.
En este caso, usando un resistor de acuerdo con la potencia indicada en el aparato el lector notará una cierta dificultad en la excitación de las lámparas mostrando que el equipo está indicando una falsa potencia de salida. En este caso el valor de Rx debe ser reducido.
La señal de audio pasa después por un transformador cuya finalidad es adaptar la impedancia del circuito de salida de sonido a la entrada del transistor. Usamos en el proyecto un transformador común de alimentación que normalmente está dotado de un devanado de alta impedancia (10 V o 220 V) y otro de baja (5 a 12 V).
La señal del transformador pasa al potenciómetro de ajuste de sensibilidad. Este potenciómetro permite ajustar el efecto de acuerdo con el volumen que utilizamos para el equipo de sonido.
El siguiente paso en el recorrido de la señal consiste en pasar vía R1 a un diodo rectificador y un capacitor (C2). La señal, que ahora es continua, excita el transistor y el capacitor proporciona cierta inercia al efecto. Esta inercia es importante para el efecto, impidiendo que las lámparas no parpadeen muy rápido. La elección del valor apropiado de este componente depende de las experiencias. Pruebe valores entre 1 y 100 uF.
El transistor se excita controlando el circuito integrado LM350T de la forma que ya hemos explicado.
Es importante observar que existe una caída de tensión del orden de 2 a 3 volts en el circuito integrado. Si utilizamos lámparas de 12 voltios, recibirán de 2 a 3 volts a menos que lo normal, lo que reflejará el brillo final.
Para evitar este problema indicamos el uso de lámparas de 6 volts, de modo que podamos ajustar en P2 la salida del integrado para este valor cuando haya excitación máxima. Otra posibilidad es utilizar más de 12 volts en la entrada y ajustar P2 para que la tensión en las lámparas de 12 volts sea la correcta.
Las lámparas de 200 mA proporcionan una buena luminosidad cuando se utilizan en este aparato, pero la elección del tipo utilizado depende del lector.
MONTAJE
En la figura 2 se muestra el diagrama completo del aparato.

El montaje hace uso de una placa de circuito impreso que se muestra en la figura 3.

El circuito integrado debe tener un radiador de calor, principalmente si las lámparas alimentadas son de mayor consumo. P2 es un trimpot común y P2 un potenciómetro que quedará en el panel del aparato.
Los resistores R1 y r2 son de 1/8 W o mayores pero Rx depende de la potencia del sonido. T1 es un transformador con bobinado primario de 110 V o 220 V y secundario simple o incluso doble (uno de los terminales no será usado) con tensiones entre 5 y 15 volts y corrientes entre 50 y 500 mA.
Los capacitores C1 y C2 son electrolíticos para 16 V o más. D1 admite equivalentes.
El fusible de protección de entrada es importante y debe instalarse en el soporte adecuado.
PRUEBA Y USO
Inicialmente, sin las lámparas conecte el aparato en una fuente de 12 V y en su salida un multímetro en la escala de tensiones que permita medir 12 volts, como muestra la figura 4.

Sin conectar A y B a nada, ajuste P2 para tener en la salida (indicada por el multímetro) una tensión de 6 voltios o de acuerdo con la lámpara usada si la tensión de entrada es mayor.
Después, retire el multímetro, no mueva más en P2 y encienda las lámparas como carga (en la salida).
Ahora, encienda A y B en la salida de cualquier aparato de sonido, como se muestra en la figura 5.

Coloque el equipo de sonido de volumen bajo (1/4 o 1/3 del volumen máximo) y ajuste P1 para que las lámparas parpadeen al ritmo de la música. Si no puede ajustar el ajuste Rx.
Cambie C2 si desea mayor o menor inercia en el accionamiento.
Comprobado el funcionamiento instale el aparato definitivamente en una caja y luego en el coche o junto a su sonido. Para uso doméstico monte una fuente de 12 o 15 volts con 3 A y alimente el aparato.
Siempre que cambie el volumen del equipo de sonido, ajuste la sensibilidad en P1.
Semiconductores:
CI-1 - LM360T - circuito integrado, regulador de tensión
Q1 - BC548 o equivalente - transistores NPN de uso general
D1 - 1N4148 o equivalente - diodo de uso general
Resistores: (1/8 W, 5%)
Rx - ver el texto
R1 - 2,2 k ohms
R2 - 10 k ohms
P1 - 10 k ohms - potenciómetro
P2 - 10 k ohms - trimpot
Capacitores:
C1 - 1 000 uF / 16 V - electrolítico
C2 - 1 uF a 100 uF / 16 V - electrolítico
Varios:
X1, X2 - Lámparas de 6 a 12 V - ver texto
T1 - Transformador con primario de 110/220 V y secundario de 5 a 12 V con corriente de 50 a 500 mA - ver texto
F1 - Fusible de 5 A
Placa de circuito impreso, radiador de calor para el circuito integrado, soporte para el fusible, sockets para las lámparas, caja para montaje, botón para el potenciómetro, hilos, soldadura, etc.



