Este transmisor experimental puede ser utilizado en demostraciones o como trabajo escolar, presentando un alcance que llega a más de 100 metros dependiendo de la sensibilidad del receptor y de la antena utilizada.
Describimos el montaje de un simple oscilador Hartley de RF que, conectado a una antena transmite sus señales a una radio de ondas medias colocadas cerca.
La bobina puede ser modificada para transmisión en la banda de ondas cortas hasta unos 15 MHz.
La alimentación debe venir de fuente o de pilas grandes, pues el consumo del circuito es algo elevado, por la potencia de la señal que general
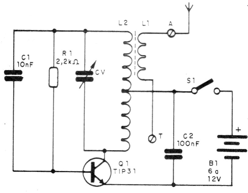
L1 consiste en 80 espiras de hilo 28 o cerca de un bastón de ferrita de 1 cm de diámetro y de 12 a 20 cm de longitud.
L2 consiste en 12 a 15 espiras del mismo hilo al lado de L1, como muestra la figura en la que damos el aspecto del montaje.
En la figura 1 tenemos el diagrama completo del transmisor.
El montaje se puede realizar en un pequeño puente de terminales, como se muestra en la figura 2.
El capacitor CV puede obtenerse de cualquier radio de onda media.
La antena consiste en un pedazo de hilo de 2 a 12 metros de largo, estirado.
Los capacitores deben ser cerámicos y la resistencia es de 1/8 W.
El manipulador (S1) puede ser improvisado con chapas de metal.
Lista de material
Q1 - TIP31- transistor NPN de potencia
L1, L2 - Bobinas - ver texto
S1 - Manipulador - ver el texto
B1 - 6 a 12 V - fuente o batería
R1 - 2k2 - resistor - rojo, rojo, rojo
C1- 10 nF - capacitor de cerámica
C2- 100 nF - capacitor cerámico
CV - capacitor variable - ver texto
Varios:
Radiador para el transistor, antena, cables, soldadura, etc.





