Describimos el montaje de un sistema muy simple de accionamiento remoto de una sirena a partir de la emisión de luz (que puede ser infrarroja) por un LED común. El circuito se puede utilizar como una alarma remota o un sistema de alerta de emergencia.
El circuito presentado se puede utilizar en un sistema de alerta, pedido de socorro o incluso alarma con accionamiento manual por un pequeño emisor de luz visible o infrarroja.
El alcance dependerá de las condiciones de iluminación local y de la eventual utilización de un sistema óptico en el sensor y en el emisor, como muestra la figura 1.

La sirena alimentada por el circuito tiene buena potencia, debiendo ser utilizado un altavoz de al menos 15 cm con buen rendimiento (imán pesado).
El transmisor es alimentado por una batería de 9 V y el receptor por batería de 6 a 12 V o fuente de alimentación.
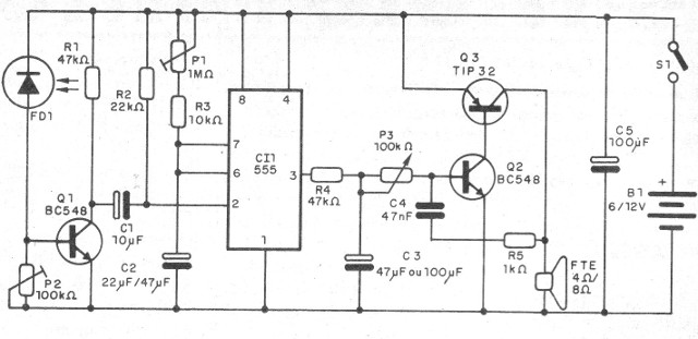
El receptor utiliza un 555 para controlar un oscilador complementario con dos transistores;
El tiempo de disparo se ajusta en P1 y el sonido de la sirena o el oscilador se controla en P3.
La sensibilidad se ajusta en P2.
El capacitor C3 hace que el circuito produzca un sonido de frecuencia creciente, imitando una sirena.
Como funciona
En la figura 2 tenemos el diagrama completo del transmisor, que es bastante simple.

Como se utilizan pocos componentes, el transmisor puede ser elaborado sobre la base de un pequeño puente de terminales, como se muestra en la figura 3.

En este montaje, sólo tenga cuidado con la posición del LED, ya que si se invierte, el circuito no funcionará.
En la figura 4 tenemos el diagrama completo del receptor.

La placa de circuito impreso para el receptor se muestra en la figura 5.

En el montaje, observe la posición del circuito integrado y de los transistores, además de la polaridad del foto-diodo y de los capacitores.
Tanto en el transmisor como en el receptor, los resistores son de 1/8 W con cualquier tolerancia y los capacitores para 12 V o más de tensión de trabajo, excepto C5 que es de 16 V o más.
En lugar de la foto-diodo se puede utilizar un foto-transistor común que será conectado como muestra la figura 6.

Para probar colocar P1 en el tiempo mínimo y con la ayuda de una linterna ajuste P2 para el disparo y P3 para el sonido deseado.
Colocando tanto el LED emisor como el foto-diodo en un tubo con lente la directividad y la sensibilidad serán mejorados, con mayor alcance para el sistema.
a) Receptor
CI-1 - 555 - circuito integrado
Q1, Q2 - BC548 - transistores de uso general
Q3 - TIP32 - transistores PNP de potencia
FD - Foto diodo (ver texto)
R1, R4 - 47 k ohms - resistores - amarillo, violeta, naranja
R2 - 22 k ohms - resistor - rojo, rojo, naranja
R3 - 10 k ohms - resistor - marrón, negro, naranja
R5 - 1 k ohms - resistor - marrón, negro, rojo
P1 - 1 M ohms - trimpot
P2 - 100 k ohms - trimpot
P3 - 100 k ohms - trimpot o pote
C1 - 10 uF - capacitor electrolítico
C2 - 22 uF - capacitor electrolítico
C3 - 47 uF - capacitor electrolítico
C4 - 47 nF - capacitor de cerámica o poliéster
C5 - 100 uF - capacitor electrolítico
FTE - 4 ó 8 ohmios - Altavoz
S1 - Interruptor simple
B1 - 6 V o 12 V - pilas grandes o fuente
Varios:
Placa de circuito impreso, caja para montaje, hilos, soldadura, etc.



