Este circuito consiste en un efecto de luz para fiestas, conciertos y conjuntos musicales que combina los intermitentes rápidos de la luz estroboscópica con las variaciones de la luz rítmica. Simple de montarlo se aplica a las lámparas incandescentes que, ya están siendo raras. La ventaja de su montaje está en la simplicidad y en el bajo costo.
La luz estroboscópica parpadea rápidamente dando un efecto de paralización de los movimientos, normalmente empleando lámparas de xenón de alta potencia.
Por otro lado, las luces rítmicas, cambian de intensidad de acuerdo con las variaciones del sonido de un amplificador.
Lo que describimos en este artículo es un circuito que combina los dos efectos, siendo de gran simplicidad, pues usa una lámpara incandescente común y pocos componentes adicionales.
El circuito puede funcionar tanto en la red de 110 V como 220 V y la señal moduladora se obtiene de la salida de altavoz de cualquier amplificador común.
Como funciona
Un SCR se utiliza para controlar los destellos de una lámpara común incandescente de hasta 100 W.
Desafortunadamente por el tipo de control la lámpara no parpadeará con toda su intensidad, pero el circuito puede ser cambiado para utilizar un control de onda completa.
En la conducción de este SCR, para disparar, conectamos un oscilador de relajación con una lámpara de neón común.
Los intermitentes de esta lámpara se determinan mediante el ajuste de P1 y el valor del capacitor C1.
Las lámparas incandescentes tienen una gran inercia de filamento no admitiendo velocidad muy elevada para los intermitentes, pero se consigue un buen efecto en el rango de 1 a 10 parpadeantes por segundo.
La frecuencia de los intermitentes puede ser modulada o alterada por la presencia de una señal de audio.
Este efecto con el uso de un transformador, un potenciómetro (P2) para ajuste de modulación y un diodo (D2).
Así, las señales de audio aplicadas a la entrada del circuito hacen que la velocidad de los intermitentes cambie, a una tasa determinada por el ajuste de P2.
El resistor Rx determina la intensidad de la señal moduladora, de acuerdo con la potencia del amplificador.
La siguiente tabla sirve para obtener los valores de Rx:
Hasta 5 W - 10 ohms x 1W
5 a 30 W - 22 ohms 1 W
30 a 50 W - 470 ohms x 1 W
50 a 200 W - 1 k x 1 W
Montaje
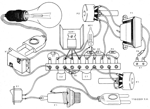
En la figura 1 tenemos el diagrama completo del aparato.

El montaje ideal hace uso de una placa de circuito impreso, pero como el circuito no es crítico, puede ser implementado con base en un pequeño puente de terminales, como muestra la figura 2.

El máximo de cuidado debe tomarse para que los hilos no se toquen uno en los otros o en los terminales de componentes en puntos indebidos, ya que esto puede causar cursos.
También debemos observar que el aparato es conectado directamente a la red de energía, pudiendo causar choques en que tocar en sus partes.
El circuito debe instalarse en una caja de madera o plástico.
El transformador, por otro lado, garantiza el aislamiento del amplificador que va a excitar el sistema, para mayor seguridad.
Este transformador tiene un primario de 110/220 V y secundario de 6 + 6 V con corriente en el rango de 200 a 500 mA.
El SCR debe estar dotado de un disipador de calor y C2 debe tener una tensión de aislamiento de al menos 400 V.
El diodo D1 será el 1N4004 si la red es de 110 V y el 1N4007 si la red es de 220 V.
Prueba y uso
Alimente el circuito y observe si P1 ajusta correctamente los intermitentes de la lámpara.
Después, conecte la entrada del circuito a la salida de un amplificador y ajuste su volumen a un punto deseado.
Ajuste ahora P1 para que el sonido del amplificador modifique los destellos de la lámpara.
SCR - TIC106B (110 V) o TIC106D (220 V) diodo controlado de silicio
D1, D2 - 1N4004 o 1N4007 - diodos rectificadores
NE01 - Lámpara de neón común
F1 - 2 A-fusible
T1 - Transformador - ver texto
X1 - Lámpara incandescente de 5 a 100 W
P1 - 2M2 - potenciómetro
P2 - 47k - potenciómetro
C1 - 470 nF - capacitor de poliéster
C2 - 470 nF x 400 V - capacitor de poliéster
R1 - 47 k ohms x 1/8 W - resistor - amarillo, violeta, naranja
R2 - 22 k ohms x 1/8 W - resistor - rojo, rojo, naranja
R3 - 470 k ohms x 1/8 W - resistor - amarillo, violeta, amarillo
Rx - ver el texto
Varios:
Puente de terminales o placa de circuito impreso, caja para montaje, soporte para fusible, cable de fuerza, hilos, soldadura, etc.



