Golpear palmas, silbar o incluso hablar una palabra más alta disparan este circuito que se puede utilizar para encender o apagar cualquier aparato eléctrico en su casa. El circuito es muy sensible y tiene un funcionamiento biestable. Los componentes comunes de bajo costo se utilizan en su construcción.
Describimos la construcción de un control remoto sónico o Vox, que es un aparato que acciona un relé a partir de sonidos captados por un micrófono.
Con un sonido, se conecta un circuito y lo mantiene así, hasta que el nuevo sonido sea captado y lo apague.
Entre las aplicaciones tenemos la posibilidad de conectar y desconectar ventiladores, calentadores o lámparas con un simple orden de mando.
Como se utiliza un relé, la carga puede ser de cualquier tipo, siempre que no supere la capacidad de corriente de los contactos del relé que, para los tipos recomendados corresponde a unos 200 W.
El circuito puede tanto ser alimentado por pilas comunes como a partir de una fuente de alimentación.
Como funciona
Las señales captadas por el micrófono son amplificador por un amplificador operacional de alta ganancia, controlado a partir de P1.
La señal amplificada se aplica al pin 3 de un multivibrador biestable o flip-flop que hace su conmutación, proporcionando en la salida un cambio de nivel a cada dos pulsos, como muestra la figura 1.

Así, con un primer pulso sonoro, el relé conectado a la salida se conecta y con un segundo pulso sonoro el relé se apaga.
Como las señales de la salida del 4013 son insuficientes para accionar un relé, se utiliza un paso amplificador con un transistor.
El micrófono debe ser dinámico, por ejemplo, un pequeño altavoz o una cápsula de teléfono.
En la condición en que el relé se encuentra desactivado, la corriente drenada es muy pequeña.
Montaje
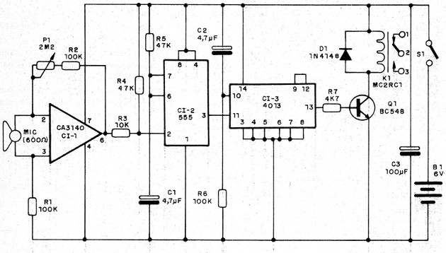
En la figura 2 tenemos el diagrama completo del Control Remoto Sónico.

El montaje se puede realizar en una placa de circuito impreso con el patrón mostrado en la figura 3.

En el montaje, observe la posición de los circuitos integrados y transistores y también la polaridad de los diodos.
Los capacitores electrolíticos pueden ser de 12 V o más y los resistores son todos de 1/8 W.
La placa fue elaborada para relés con sockets DIL y cadenas de bobina hasta 100 mA.
Si se utilizan otros tipos de relés, con bases diferentes, la placa debe ser rediseñada.
Para la alimentación se puede utilizar la fuente de alimentación de la figura 4 o después de las pilas.

El transformador tiene corriente de 200 a 500 mA y primario de acuerdo con la red local de energía.
En la figura 5 mostramos cómo utilizar un pequeño altavoz de 4 ó 8 ohms como micrófono.

El pequeño transformador usado se puede obtener en una radio transistorizada fuera de uso.
Se debe utilizar el transformador de salida que tiene un devanado de baja impedancia y otro de alta.
Sin embargo, se pueden realizar experimentos con otros transformadores.
Prueba y uso
Para probar y utilizar, encienda la alimentación y vaya a hablar a intervalos regulares delante del micrófono mientras ajusta P1 hasta que se active el relé.
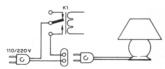
Para usar, conecte la carga como se muestra en la figura 6.

Respete los límites de corriente de la carga externa para no perjudicar los contactos del relé.
CI-1 - CA3140 - circuito integrado CMOS
CI-2 - 555 - circuito integrado
CI-3 - 4013 - circuito integrado
Q1 - BC548 - transistores NPN de uso general
D1 - 1N4148 - diodo de silicio de uso general
P1 - 2M2 - potenciómetro
K1- Relé DIL de 6 V x 100 mA
S1 - Interruptor simple
B1 - 6 V - 4 pilas o fuente
R1, R2, R6 - 100 k ohms x 1/8 W- resistores - marrón, negro, amarillo
R3- 10 k ohms x 1/8 W-resistor - marrón, negro, naranja
R4, R5 - 47 k ohms x 1/8 W - resistores - amarillo, violeta, naranja
R7 - 4k7 ohms x 1/8 W - resistor - amarillo, violeta, rojo
MIC - micrófono dinámico común - ver texto
Varios:Placa de circuito impreso, caja para montaje, soporte de pilas, hilos, soldadura, etc.



