En electrónica digital e informática "clock" es el circuito que determina el ritmo de funcionamiento de un sistema. En una microcomputadora, por ejemplo, podemos tener "clocks" de 4 MHz, 0 que significa que se pueden realizar 4 000 000 de operaciones por segundo. El reloj experimental que describimos es lento, y tiene velocidad ajustable sirviendo para demostraciones de diversos tipos de sistemas digitales y utilizados en informática.
El reloj típico consiste en un oscilador que produce una señal cuya forma de onda es rectangular, como muestra la figura 1.

Esta forma de onda "retrata" variaciones rápidas de niveles lógicos, es decir, el circuito pasa de 0 a 1 y de 1 a 0 en un tiempo muy corto, y permanece en uno de los niveles por un tiempo más largo.
En nuestro reloj experimental la velocidad puede ser controlada variando entre algunos ciclos por segundo hasta un ciclo cada 2 o 3 segundos, lo que permite visualizar procesos lógicos con facilidad.
Un LED monitorea el funcionamiento del circuito. Este LED se enciende cuando la salida está en cero (0 o LO) y permanece apagada cuando la salida está en un (1 o HI).
Damos también el diagrama de una etapa de potencia que excita un relé. Con esta etapa podemos controlar circuitos lógicos de potencia más alta, lo que puede ser necesario en ciertas demostraciones.
MONTAJE
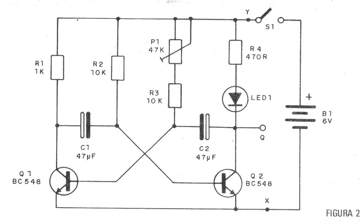
El circuito completo del reloj se muestra en la figura 2.
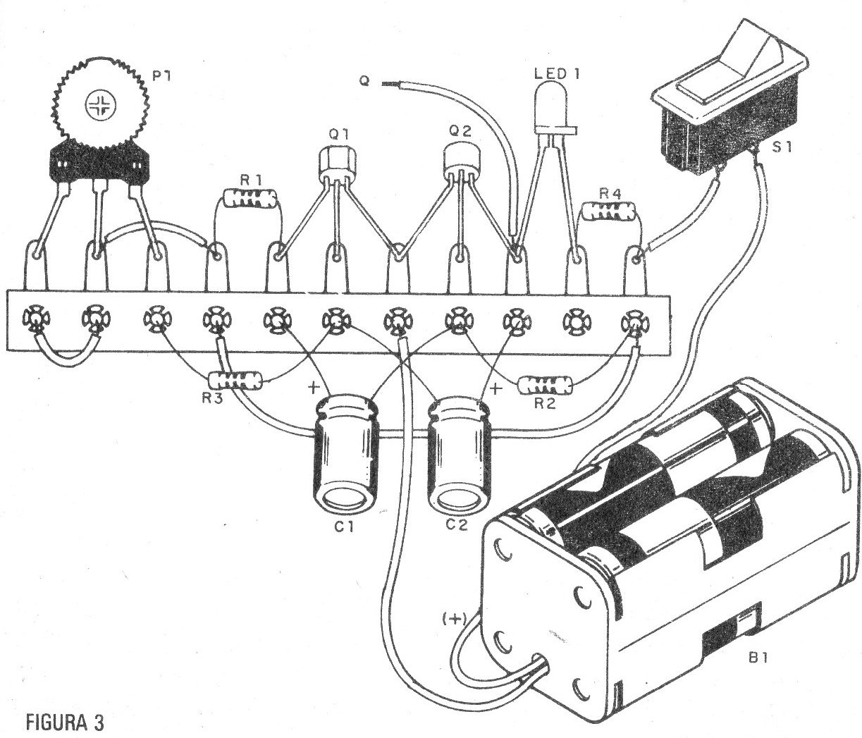
Sugerimos a los lectores dotados de menos recursos de montaje en un puente de terminales como se muestra en la figura 3.
En la conexión del LED observe su polaridad. Observe también la polaridad de la fuente de alimentación que consiste en 4 pilas pequeñas.
La frecuencia de funcionamiento del reloj se ajusta en el trimpot de 47k.
Los capacitores C1 y C2 también influyen en el funcionamiento del reloj pudiendo ser alterados.
Disminuyendo a 4,7 uF o incluso 10 uF el reloj funciona más rápido, y aumentando par 100, uF o 220 uF su operación será mucho más lenta.
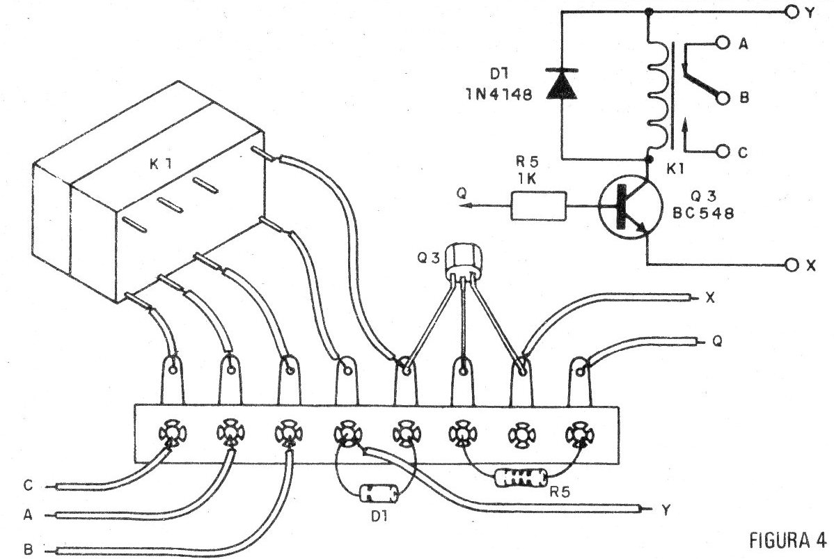
La elección de los valores dependerá de la aplicación. Para la etapa de potencia tenemos el circuito mostrado en la figura 4 que usa un relé de 6 V sensible.
El montaje de este circuito en un puente de terminales se da en la misma figura, pero nada impide que su realización sea en placa de circuito impreso.
La resistencia R5 puede eventualmente modificarse si no hay excitación en las frecuencias más bajas.
La polaridad del diodo debe ser observada.
PRUEBA Y USO
La prueba es inmediata. Después del montaje, basta con conectar la unidad. Dependiendo del ajuste de P1, el LED parpadeará más lento o más rápido. Para comprobar la salida basta conectar un multímetro en la escala de Voltios DC apropiada entre los puntos O y X.
Entre los puntos O y X también se enciende. el paso con relé.
LISTA DE MATERIAL
Q1, Q2, O3 - BC548 o equivalente transistores NPN de uso general
LED1 - LED rojo común
D1 - 1N4148 o 1N914 - diodo de uso general
P1 - 47k - trimpot
K 1 - relé de 6 V
R1, R5 - 1k x 1/8 W - resistores (marrón, negro, rojo)
R2, R3 - 10k x 1/8 W - resistores (marrón, negro, naranja)
R4 - 470 ohms x 1/8 W - resistor (amarillo, violeta, marrón)
C1, C2 - 47 uF x 6 V - capacitores electrolíticos (véase el texto)
S1 - interruptor simple
Diversos: 4 pilas pequeñas, soporte para 4 pilas, puente de terminales, caja para montaje o base, hilos, soldadura, etc.






