Los filtros encuentran una gran gama de aplicaciones prácticas en la electrónica. Separando señales de frecuencias indeseables de las deseables, estos circuitos pueden ser usados ??de innumerables formas implementando aparatos diversos como accionadores selectivos, eliminadores de interferencias, separadores de sonidos, etc. En este artículo hablamos específicamente de los filtros con amplificadores operacionals en función de las características adicionales que el AO como elemento activo puede proporcionar.
Decimos que un filtro es pasivo cuando se compone sólo de componentes pasivos como resistores, capacitores, inductores, etc.
En un filtro pasivo, dada la no existencia de dispositivos amplificadores, la energía de la señal obtenida en la salida es siempre menor que la aplicada en la entrada.
La diferencia entre las dos energías determina la pérdida que ocurre en el filtro y en algunos casos es tan grande que impide hasta la utilización práctica del dispositivo o al menos la limita.
Sin embargo, resistores, capacitores e inductores más un elemento activo como un amplificador operacional pueden cambiar de figura el comportamiento del filtro.
Además de la actuación sobre determinadas frecuencias podemos todavía tener una ganancia de intensidad para la señal, lo que nos lleva a los llamados filtros activos.
Tenemos entonces los siguientes tipos de filtros que pueden ser elaborados con la ayuda de amplificadores operacionals:
- Filtros pasa-bajos que dejan pasar los signos de bajas frecuencias hasta un valor límite determinado por sus características.
- Filtros pasa-altos que dejan pasar las señales de altas frecuencias hasta un valor límite determinado por sus características.
- Filtros de banda ancha o pasamanos que dejan pasar las señales de una pista determinada de frecuencias.
- Filtros rechazados de banda o de banda que dejan pasar señales de todas las frecuencias menos los comprendidos entre dos límites bien establecidos.
En la figura 1 tenemos la representación de estos filtros.

FILTROS DE GANANACIA UNITARIA
Estos son los más simples de ser diseñados, combinando un amplificador operacional como seguidor de tensión con una red RC que proporciona las características de respuesta relativa a la frecuencia del sistema.
En la figura 2 tenemos un filtro de paso bajo en el que sólo se utilizan 2 resistores y dos capacitores.

La fuente de alimentación debe ser simétrica y las ecuaciones que proporcionan la frecuencia a partir de los valores de los componentes para una atenuación de -3dB son:
a) Frecuencia inferior de corte:

b) Frecuencia superior de corte:

En la figura 3 tenemos la configuración para un filtro pasa-altas donde se aplican las mismas fórmulas.

El factor de selectividad (factor Q), sin embargo, se calcula para los dos circuitos de formas diferentes:
Para el filtro pasa bajas tenemos:
Q = 1/2 V C1 / C2
Para el filtro pasa-altas tenemos:
Q = 1l2 V R1 / R2
(Las fórmulas son válidas para los factores Q mayores que 10)
FILTROS ACTIVOS PASA-BAJAS
En la figura 4 tenemos la curva de un amplificador operacional típico usado como filtro paso-bajas.

En la práctica la atenuación de 12 dB por octava obtenida puede tener valores menores con frecuencias más altas.
Un amplificador operacional ideal tiene impedancia de entrada infinita, impedancia de salida nula y ganancia infinita para señales de cualquier frecuencia.
En la práctica, estas características están lejos de lo ideal que los hace cerca de un buen comportamiento hasta frecuencias alrededor de 100 kHz.
Por encima de esta frecuencia las características de impedancias de entrada y salida empiezan a tener valores que no deben ser despreciados en los cálculos.
Amplificadores operacionales de banda ancha de Texas como el LM318 o TL291, se pueden utilizar en frecuencias más altas con eficiencia.
Una manera de obtener un mejor comportamiento en las altas frecuencias consiste en la utilización de un filtro pasivo RC antes del filtro activo, como muestra la figura 5.

En este caso, sin embargo, un casador de impedancia debe ser intercalado para que se eviten pérdidas peligrosas al desempeño del sistema.
FILTROS DE RECHAZO DE BANDA
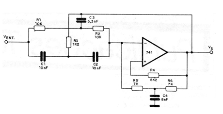
Estos son filtros activos, con configuración típica mostrada en la figura 6 en la que empleamos un amplificador operacional 741.

La curva de respuesta de este filtro se muestra en la figura 7.

Se trata de un filtro de rechazo de banda de segundo orden con frecuencia centralizada en 3 kHz.
El factor Q de este circuito y 23, con una atenuación en el punto máximo de -31 dB.
Se puede obtener una respuesta mucho más aguda para este filtro con la utilización de circuitos LC en lugar del doble T con resistores y capacitores. Igualmente, se aumenta la atenuación en el punto de resonancia con la utilización de capacitores de altos valores.
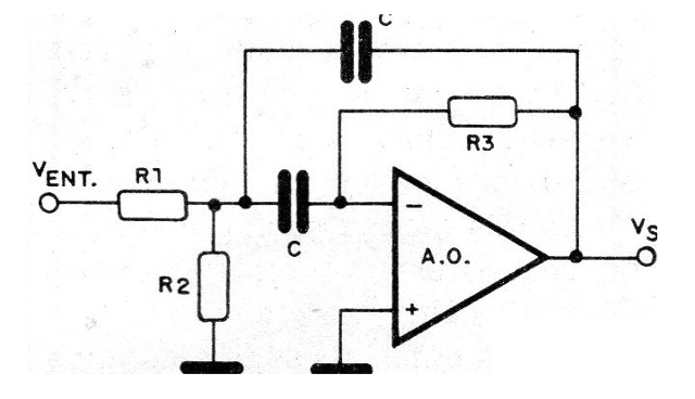
FILTROS ACTIVOS PASA-BANDA
En un filtro de este tipo, tenemos el paso de una banda de frecuencias situada entre dos límites muy bien establecidos.
Se llama la frecuencia central, es decir, la frecuencia en torno a la cual se limita el rango de señales que pasa y la frecuencia para la cual la ganancia de tensión es máxima. (figura 8)

La anchura de banda para este tipo de filtro se define para los puntos antes y después de la frecuencia central en la que la ganancia cae a 0,707 del máximo, es decir, en que se tiene una atenuación de 3dB en relación al valor de la tensión en fo.
Los valores fL y fH corresponden a los límites inferiores y superiores respectivamente del rango pasante.
Así, la banda es dada por:
BW = fH - fL
A partir de estas frecuencias definimos el factor Q como:

En la figura 9 tenemos la configuración de un filtro de este tipo con amplificador operacional.

Este filtro tiene características que permiten su utilización con factores Q hasta 10.
Los valores de C típicos para aplicaciones en audio deben estar entre 10 nF y 100nF. A partir de estos valores y de la frecuencia central podemos calcular los demás componentes por las fórmulas:

La mejor performance del circuito se obtiene cuando se hace la ganancia mayor que la raíz cuadrada de Q.
Por ejemplo, si el filtro está diseñado para un factor Q de 16, la ganancia debe ser mayor que 10.
Ref .: Linear e Interfaz Circuits Aplicaciones - Texas lnstruments - 1985.



