Muchos animales pueden ser trinados con facilidad para atender el llamado de ciertos sonidos como, por ejemplo, los perros en el caso del silbido. Pero la mayor ventaja del perro está en el hecho de que puede oír ultrasonidos, es decir, sonidos de frecuencia muy arriba de los que tenemos capacidad de oír.
De esta forma, existen los silbidos de "llamar al perro", que producen ultrasonidos que esos animales oyen y nosotros no. Nuestra versión electrónica produce un silbido ultrasónico que usted puede usar para llamar a su perro, evidentemente después de entrenarlo.
El aparato es alimentado por pilas y tiene un excelente alcance, además de poder ser cargado en el bolsillo.
Lo que tenemos es un oscilador que se puede ajustar para producir ultrasonidos entre 18 000 y 30 000 Hz, los cuales se reproducen un transductor piezoeléctrico común o tweeter piezoeléctrico.
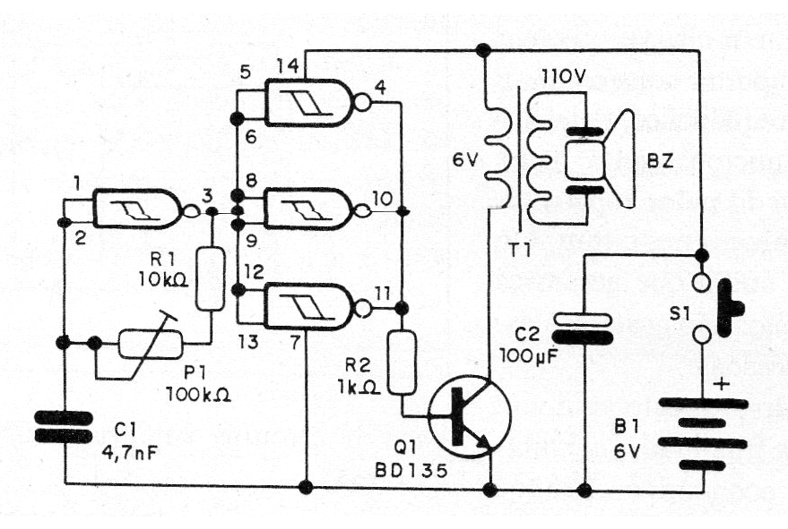
En la figura 1 tenemos el diagrama completo del aparato que se basa en un circuito integrado CMOS 4093.
En la figura 2 tenemos la disposición de los componentes en una placa de circuito impreso.
El transformador es del tipo utilizado en pequeñas fuentes de alimentación con primario de 110 V y secundario de 4,5 a 9 V con corriente entre 50 y 250 mA. También se puede utilizar un tweeter piezoeléctrico directamente conectado al colector de Q1.
El transductor es una cápsula piezoeléctrica o un tweeter. Para utilizar el aparato, conéctelo y ajuste el tono hasta que se vuelva muy agudo y desaparezca de su audición. A continuación, entrena a su perro para que responda al llamado cuando presione S1.
Lista de materiales:
CI-1- 4093 - circuito integrado CMOS
Q1 - BD135 o equivalente - transistores NPN
R1- 10k ohms- resistor - marrón, negro, naranja
R2 - 1 k ohms - resistor - marrón, negro, rojo
P1- 100 k ohms - trimpot
C1 - 4,7 nF - capacitor cerámico o poliéster (reducir a 2,2 nF - si no se alcanzan los ultrasonidos)
C2- 100 uF- 12 V- capacitor electrolítico
T1 - Transformador - ver texto
S1 - Interruptor de presión
B1- 6 V - 4 pilas pequeñas
Varios:
Placa de circuito impreso, caja para montaje, soporte de pilas, cables, soldadura, etc.





