La Maxim (www.maxim-ic.com) en su application note App 84 describe un interesante circuito que permite alargar pulsos de corta duración de modo que puedan ser reconocidos por circuitos digitales. En este artículo se describe cómo implementar este circuito utilizando sólo un amplificador operativo.
Los circuitos digitales comunes no pueden resolver fácilmente pulsos de corta duración. En la práctica se utilizan flip-flops tipo D para alargar las muñecas, pero la duración mínima que pueden resolver es del orden de 40 ns.
Sin embargo, existen aplicaciones prácticas que trabajan con pulsos de mucho menor duración, como los que ocurren en circuitos de modulación de láser que quedan en el rango de 15 ns a 25 ns.
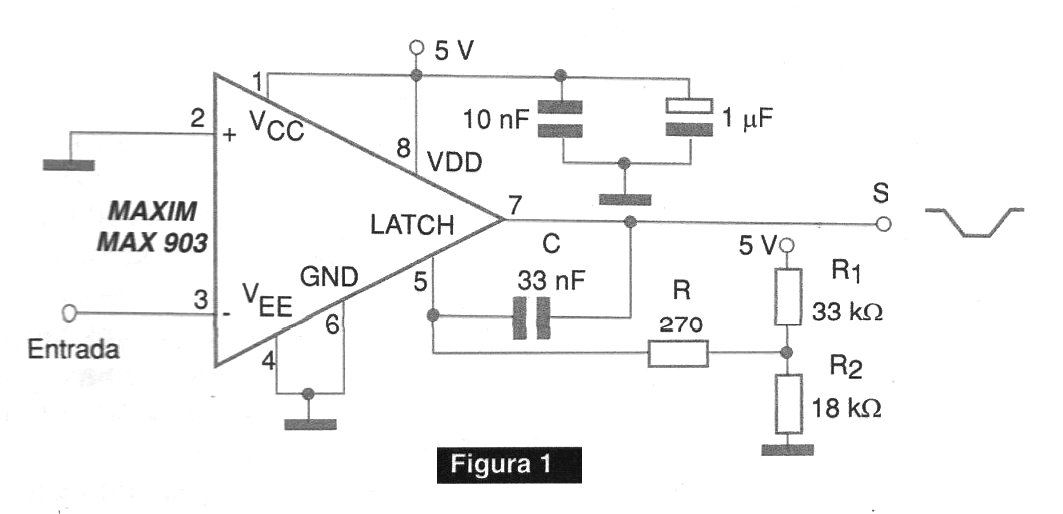
La solución propuesta por Maxim, mostrada en la figura 1, puede alargar pulsos a partir de 15 ns, con amplitudes tan bajas como 100 mV y hasta menos.
El estiramiento de los pulsos está determinado por los valores de R y C. Con los valores indicados en el circuito la duración de los pulsos será de 100 ns.
El circuito responde a impulsos positivos de entrada. La salida va al nivel bajo y el condensador C pone el latch compatible con la entrada TTL en el nivel bajo.
Cuando la entrada vuelve al nivel bajo, el capacitor continúa descargando a través de R hasta el momento en que la tensión de entrada cruza el umbral de 1,4 V, liberando así el latch.
El resistor R puede tener valores entre 270 ohms y 1 k ohmios mientras que el capacitor C puede tener valores entre 10 pF y 100 pF. Con este rango de valores, los tiempos de estiramiento obtenidos quedarán entre 50 ns y 500 ns.
Observe que la alimentación del circuito se realiza con 5 V lo que lo hace compatible con la lógica TTL y se puede usar como shield.




