Explorando las increíbles capacidades del circuito integrado CMOS 4093, ofrecemos una selección de proyectos básicos que pueden servir de base para montajes más sofisticados. Los circuitos fueron aprovechados del libro del autor CMOS Projects and Experiments, publicado en los Estados Unidos.
El circuito integrado 4093, como todos deben saber dada la cantidad de proyectos que publicamos con ese componente, consiste en 4 puertas NAND disparadoras que se pueden utilizar por separado, y tiene el pinagem mostrado en la figura 1.

Estas puertas pueden funcionar con tensiones de 3 a 15 V y configuradas en la función lógica original, como inversores, amplificadores digitales y osciladores hasta unos 10 MHz.
A continuación se muestra una interesante selección de circuitos básicos utilizando este componente.
Oscilador Controlado por Toque
La frecuencia del oscilador mostrado en la figura 2 depende de la resistencia de los dedos de la persona que toca el sensor X1 y del valor del condensador C1.

El potenciómetro P1 también permite ajustar esta frecuencia en un rango de valores.
El circuito no debe ser alimentado por fuente sin aislamiento (sin transformador) siendo el ideal pilas o batería. El transductor es cerámico de alta impedancia.
Como sensor, utilice dos planchas de metal que se deben tocar por separado o dos hilos que pueden ser seguros uno en cada mano o por dos personas.
En ese caso, el oscilador entrará en funcionamiento cuando las personas se toquen.
El montaje se puede implementar fácilmente en una pequeña matriz de contactos.
CI-1 - 4093 - circuito integrado CMOS
X1 - Sensor de timbre - ver texto
X2 - Transductor piezoeléctrico de alta impedancia
R1 - 10 k ohms x 1/8 W - resistor - marrón, negro, naranja
P1 - 1 M ohms - pote
C1 - 1,2 a 2,2 nF - capacitor de cerámica o poliéster
C2 - 100 uF x 12 V - capacitor electrolítico
Varios
Matriz de contactos, pilas, cables, etc.
Oscilador Controlado por Toque - II
Una configuración ligeramente diferente de la anterior, para un oscilador controlado por toque, se muestra en la figura 3.

En este circuito dos puertas del 4093 se configuran para formar un oscilador donde la frecuencia depende de la resistencia entre X1 y del capacitor C1.
El transductor nuevamente debe ser del tipo piezoeléctrico de alta impedancia y la alimentación debe ser hecha por pilas o batería.
El sensor se hace de la misma forma que en la versión anterior, y no se debe usar fuente sin aislamiento de la red de energía.
CI-1 - 4093 - circuito integrado CMOS
X1 - Sensor - ver texto
X2 - Transductor piezoeléctrico de alta impedancia
R1 - 10 k ohms x 1/8 W - resistor - marrón, negro, naranja
C1 - 1,2 a 2,2 nF – capacitor de cerámica o poliéster
C2 - 100 uF x 12 V - capacitor electrolítico
Varios:
Matriz de contactos, soporte de pilas, pilas o batería, hilos, soldadura, etc.
Parpadea LED Alternado con Ciclo Activo
Lo que el circuito de la figura 4 hace es parpadear de modo alterno dos LED, con el control del ciclo activo a través de dos potenciómetros.

El ciclo activo es el tiempo en que cada LED permanece encendido.
A través de los dos potenciómetros es posible actuar sobre el tiempo de encendido de cada LED y con ello también actuar sobre la frecuencia de los intermitentes.
El rango de frecuencias y de ciclos activos está determinado por los valores de C1 y C2.
El circuito puede ser alimentado por tensiones de 5 a 12 V y los resistores limitadores de corriente de los LEDs dependen de estas tensiones.
Se pueden utilizar los indicadores comunes o bicolores, y para mayores potencias controladas pueden ser etapas de potencia con transistores u otros componentes activos.
El circuito también se puede utilizar para controlar dos osciladores disparados con el propio 4093, en cuyo caso el lector puede proyectar una interesante sirena de dos tonos.
CI-1 - 4093 - circuito integrado CMOS
LED1, LED2 - LEDs comunes
P1, P2 - 1 M ohms – potenciómetros
R1, R2 - 10 k ohms x 1/8 W - resistores - marrón, negro, naranja
R3, R4 - 470 ohms (5 y 6 V) o 1 k ohmios (9 y 12 V) x 1/8 W - resistores
C1, C2 - 10 uF a 470 uF x 12 V - capacitores electrolíticos
C3 - 100 uF x 12 V - capacitor electrolítico
Varios:
Placa de circuito impreso o matriz de contactos, soporte de pilas, pilas o batería, hilos, soldadura, etc.
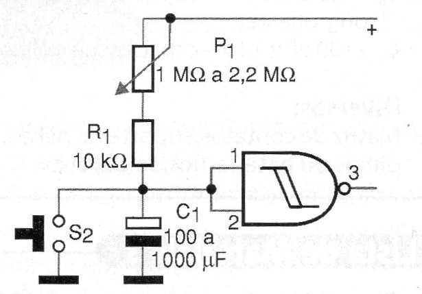
Lámpara Temporizada
El circuito final mostrado en esta selección es de una lámpara incandescente temporizada de alta potencia. El circuito se muestra en la figura 5.

Este circuito tiene un sector de alta tensión que corresponde al accionamiento de la lámpara a través de un SCR y un sector de baja tensión para la alimentación del circuito integrado.
A pesar de que estos circuitos tienen un terreno común, la alta tensión del sector del SCR en realidad "no pasa" al sector de baja tensión manteniendo así la integridad del circuito integrado CMOS.
Cuando se presiona el interruptor de presión, descarga C2. Con la descarga, la salida de las tres puertas NAND conectadas en paralelo del 4093 va al nivel alto disparando el SCR. Con eso la lámpara se enciende.
Tan pronto como dejamos de presionar S2, el capacitgor se carga lentamente, a una velocidad ajustada en P1.
A medida que el condensador se carga, cae la tensión en el CI hasta el momento en que ocurre la conmutación y con ello la salida de las tres puertas vuelve al nivel bajo, apagando el SCR.
Observando que con el uso de un SCR tenemos el control de media onda lo que hace que la lámpara no se mantenga encendida con el brillo máximo.
Si el lector desea un control de onda completa puede añadir al circuito un puente rectificador como muestra la figura 6.

También no se deben utilizar lámparas que no sean incandescentes, ya que el circuito se indica sólo para cargas resistivas.
El SCR debe estar dotado de un disipador de calor. El sufijo será B si la red es de 110 V y D si la red es de 220 V.
La potencia máxima controlada para el SCR indicado es del orden de 200 W.
El intervalo máximo de temporización obtenido llega cerca de 1 hora, pero se debe utilizar un condensador de excelente calidad para que las fugas eventuales no afecten la temporización.
Para una temporización "inversa", basta con cambiar de posición S2 / C2 con P1 / R1, como muestra la figura 7.

En ese caso, la lámpara se apaga cuando se presiona S2 para volver a encenderse al final de la temporización ajustada.
CI-1 - 4093 - circuito integrado CMOS
D1, D2 - 1N4002 - diodos rectificadores
SCR1 - TIC106B (D) - diodo controlado de silicio
T1 - Transformador con primario según la red local y secundaria de 9 + 9 V x 200 mA o más
C1 - 1000 uF x 16 V - capacitor electrolítico
C2 - 100 uF a 1 000 uF x 12 V - capacitor electrolítico
R1 - 10 k ohms x 1/8 W - resistor - marrón, negro, naranja
R2 - 4,7 k ohms x 1/8 W - resistor - amarillo, violeta, rojo
R3 - 22 k ohms x 1/8 W - resistor - rojo, rojo, naranja
X1 - lámpara incandescente de 5 a 200 W
S1 - Interruptor simple
S2 - Interruptor de presión NA
F1 - Fusible de 1 A
Varios:
Placa de circuito impreso, caja para montaje, radiador de calor para el SCR, botón para el potenciómetro, cable de alimentación, soporte para el fusible, zócalo para la lámpara, hilos, soldadura, etc.
Conclusión
Los circuitos mostrados en muchos casos son básicos que pueden ser modificados para atender a otros tipos de necesidad del lector.
De hecho, en la mayoría de los casos, los componentes pueden ser alterados en un rango muy amplio de valores



