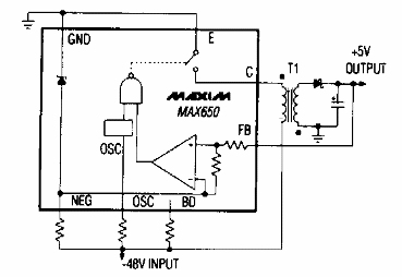
Encontrado en una documentación de Maxim de los años 90, este circuito produce una tensión de 5 V a partir de una entrada de -48 V, por ejemplo, como se encuentra en las líneas telefónicas. La corriente de salida es de 250 mA.

Regulador conmutado
Encontrado en una documentación de Maxim de los años 90, este circuito produce una tensión de 5 V a partir de una entrada de -48 V, por ejemplo, como se encuentra en las líneas telefónicas. La corriente de salida es de 250 mA.
