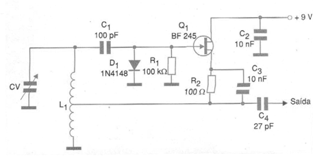
El Variable Frequency Oscillator (VFO) o el oscilador de frecuencia variable que se muestra en la figura pueden generar señales en un rango de frecuencia determinado por la bobina y la variable. Para frecuencias entre 1 y 5 MHz, por ejemplo, la variable puede ser del tipo común que se encuentra en los receptores de onda media y la bobina formada por 25 + 25 vueltas de alambre 28 en una varilla de ferrita de 0,8 a 1,0 cm. de diámetro y de 12 a 15 cm de largo. El circuito puede generar señales hasta cerca de 30 MHz, dependiendo solo de los valores de los componentes usados ??en el circuito resonante. Los capacitores deben ser de cerámica y el transistor de efecto de campo de unión (JFET) admite equivalentes.




