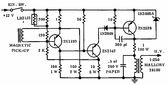
Este circuito es de una documentación de Motorola de 1965. Los transistores son de la época al igual que el sensor magnético que no tiene informaciones.

Encendido sin contactos
Este circuito es de una documentación de Motorola de 1965. Los transistores son de la época al igual que el sensor magnético que no tiene informaciones.
