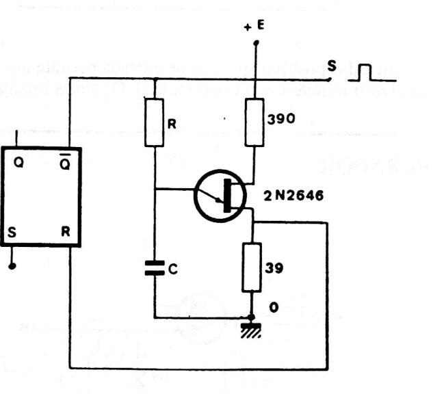
Este circuito muestra cómo se puede obtener un monoestable de un flip-flop RS utilizando un transistor unijuntura. R y C determinan la constante de tiempo del monoestable y el suministro debe hacerse de acuerdo con la lógica empleada.

Monoestable con Flip Flop RS



