Uno de los mayores problemas que los montadores de amplificadores encuentran, y que no siempre es fácil de resolver, la elección de un preamplificador de características compatibles. Sin el pre conveniente el amplificador no tiene su desempeño normal, operando con menor potencia de salida e incluso inestabilidades.
Con las excelentes características de un preamplificador que publicamos en este sitio con un buen diseño de amplificador de potencia integrado, con divisor activo (salidas separadas para graves y agudos), llegamos a una configuración que: puede ser considerada ideal para quien desea tener un sonido de alta calidad en el hogar. Con entradas para diversas fuentes de señales, salida para grabación, control de tono y balance, agudos independientes y amperios en canales separados, este circuito proporciona 80 W PMPO por canal (20 Wrms, y un excelente sin. Y con el uso de boosters o y en el caso de que se produzca un error en el sistema.
Los amplificadores de potencia de audio normalmente requieren señales de intensidad algo elevadas y, además, están dotados de sólo una entrada para este propósito.
Por lo tanto, normalmente están diseñados para operar con un preamplificador externo o otra fuente de señal de características fijas, bien definidas, sin la cual no proporcionan su potencia máxima.
Además de una etapa que proporcione la señal que el amplificador necesita para funcionar a plena potencia, debemos tener aún un control de tono y volumen, además de un eventual control de balance.
El proyecto que describimos en este artículo tiene todos estos recursos y algo más: con un excelente rendimiento y entradas de acuerdo a los niveles de señal que se encuentran normalmente en equipos comerciales (incluidos los reproductores de CD), posee un amplificador de potencia con canales independientes de amplificación agudos, y graves / medios.
Dependiendo de su habilidad para montarlo en una buena caja metálica de apariencia y acabado esmerado, seguramente podrá pasar por un equipo de marca famosa cuando se coloca en su deck.
Sin embargo, recordamos que se trata de montaje de audio que involucra sectores de señales débiles de una parte y en otros sectores de altas corrientes, lo que significa que el lector interesado en su elaboración debe estar apto para trabajar con estos circuitos.
Rutas bien planificadas y sin fallos, cables blindados para las señales y con mallas debidamente aterrizadas, conexiones perfectas, contactos térmicos bien hechos de los integrados con los radiadores son fundamentales para obtener el rendimiento a la altura de las características originales del proyecto.
También observamos que el sistema admite cierta versatilidad para la etapa final. Esto quiere decir que a partir del punto A del circuito, donde entra el amplificador final de potencia, se pueden realizar cambios con la sustitución por circuitos más potentes, siempre que el dimensionamiento de la fuente sea observado o debidamente alterado.
Recuerde que la nueva etapa debe operar con tensiones entre 14 y 35 V, ya que esta es la banda admitida por el circuito integrado 7812 que suministra la alimentación para el preamplificador.
Características:
Tensión de alimentación: 110/220 Vc.a.
Potencia de salida: Agudos - 20 W rms (40 W PMPO)
Medios / Graves - 20 W rms (40 W PMPO)
Potencia de salida total (4 canales): 160 W PMPO o 40 W rms
Carga: de 2 a 8 ohms
Frecuencia de transición del amplificador: 2 kHz
Distorsión armónica total: 1%
Corriente continua en reposo por canal: 160 mA
Respuesta de frecuencia: 40 Hz a 20 000 Hz
Eficiencia del amplificador: 60 (tip.)
Consumo del preamplificador por canal: 4 mA
Sensibilidad de la entrada magnética: 10 mV
Tensión de señal de la salida del pre: 4 V rms
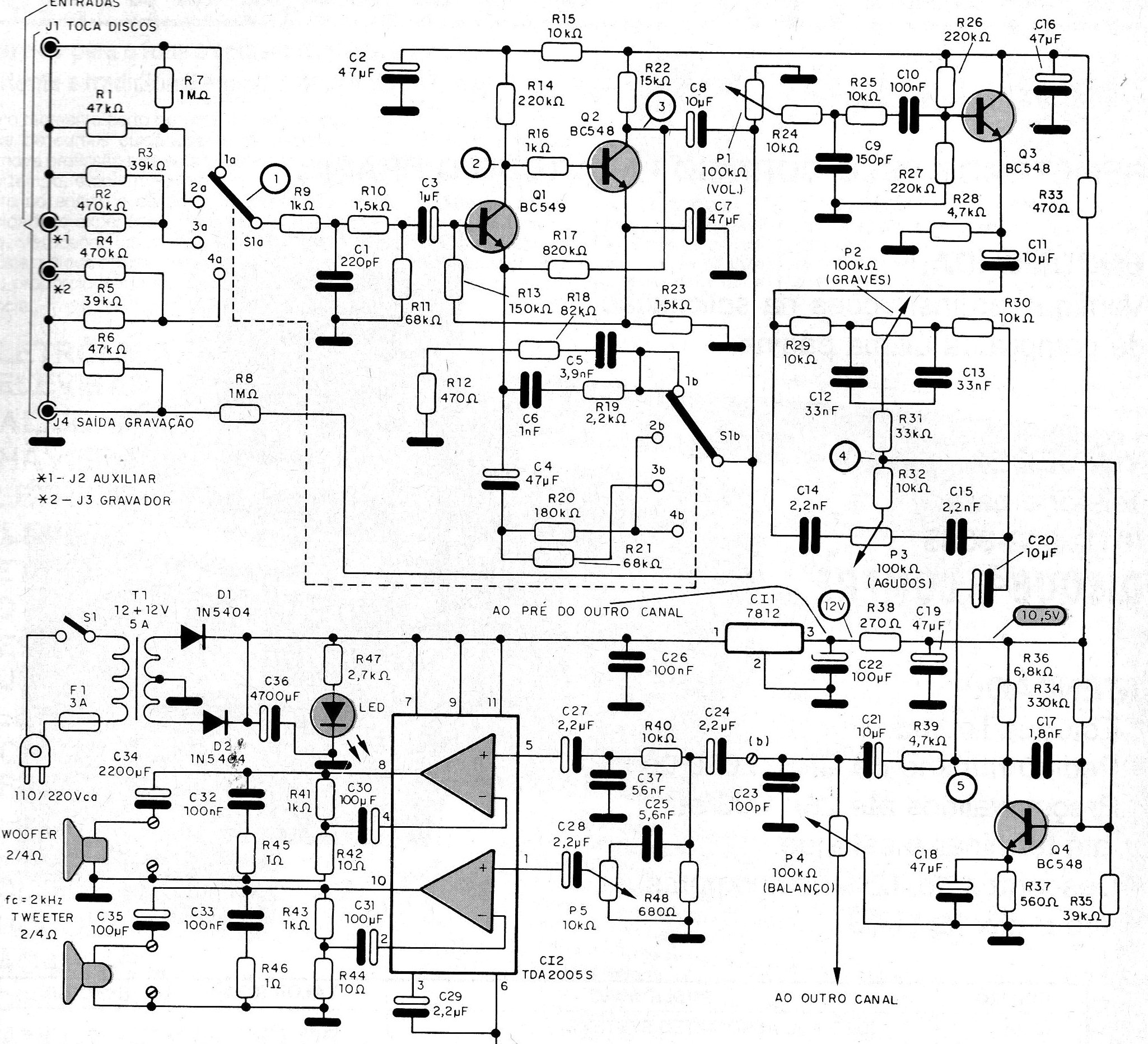
En la figura 1 tenemos un diagrama en bloques de nuestro proyecto.

En la entrada del preamplificador tenemos una red de resistores calculados de tal forma que corresponda a las características de las fuentes de señales externas. Una clave selecciona estas resistencias según el tipo de señal que se está ampliando.
La llave utilizada es doble para cada canal, al mismo tiempo que selecciona la red atenuadora de entrada también selecciona una red de ecualización en el circuito de realimentación del preamplificador formado por Q1 y Q2.
Así, para la entrada Fono (tocadiscos) tenemos la ecualización RIAA. Para la entrada de grabadora tenemos la NAB y para las demás una respuesta lineal, controlando apenas la ganancia total.
Las señales seleccionadas son amplificadas por Q1 y Q2 que forman un circuito de alta ganancia. El primer transistor (Q1) debe ser un componente de alta ganancia y bajo nivel de ruido, como el BC549, dado el tipo de señal que encontramos en este punto del circuito.
La presencia de ruidos en este punto del circuito, como los generados por los componentes, tendría un efecto en cascada, pues habría una enorme amplificación en las etapas siguientes. En este punto del circuito es interesante utilizar resistores de película metálica, que tienen menor nivel de ruido que los resistores de carbono.
Después de la amplificación por esta etapa, la señal se aplica ya con una intensidad máxima de 400 mV a un control de volumen que consiste en el potenciómetro logarítmico P1.
Desde el control de volumen la señal tiene una nueva amplificación antes de ser llevada al control »de tonalidad del tipo Baxandall.
En este circuito tenemos dos redes que separan las señales en dos gamas, controladas por los potenciómetros P2 (graves) y P3 (agudos). Este circuito forma un eslabón de realimentación que ajusta las bandas de graves y agudos amplificadas por el transistor Q4.
La señal que hasta ahora venía aumentando de intensidad por sucesivas amplificaciones sufre una caída a 4 mV sólo en el control de tono, vuelve a tener los 400 mV en el colector de Q4.
Para que usted tenga una idea de las amplitudes de las señales encontradas en los diversos puntos del circuito, damos a continuación una tabla. Se trata de la gran utilidad para que se confiera el funcionamiento del aparato después de montado.
En el punto A termina el bloque de preamplificación y tono, comenzando entonces el bloque amplificador de potencia.
Este bloque tiene entonces en su entrada un separador de señales formado por un filtro paso-bajas con R40 y C37 y un filtro pasa altas con base en C25 y P5.
Las señales correspondientes a los graves y medios entran entonces en el TDA2005S vía pino 5, apareciendo amplificados en el pin 6, de donde son llevados al woofer.
Las señales correspondientes a los agudos entran en la otra mitad del TDA2005S por el pino 1 y aparecen amplificados en el pino 10, de donde son llevados al tweeter.
La fuente de alimentación para el circuito se puede dividir en dos sectores: el primero, sin regulación, para la etapa de potencia, y el segundo, con 12 V obtenidos de un circuito integrado 7812, para el preamplificador.
Con esta división, el transformador puede ser dimensionado para tener tensión suficiente y corriente para alimentar eventuales etapas de mayor potencia, como por ejemplo haciendo como base el TDA1514, que proporciona 40 W rms o 160 W PMPO por canal, lo que resultaría en un sistema de. 320 W PMPO para la versión estéreo.
MONTAJE
El diagrama completo de un canal más la fuente de alimentación para los dos canales se muestra en la figura 2.
Damos tres placas de circuito impreso separadas, para facilitar la instalación en una caja. Una corresponde a los dos canales del preamplificador y fuente de 12 V.
Las otras placas corresponden a los dos amplificadores con divisores activos.
Estas placas se muestran en la figura 3.
Los capacitores electrolíticos deben tener tensiones de trabajo igual o mayores que las indicadas en la lista de materiales.
La llave selectora de señales de entrada puede ser rotativa y de teclas.
En la figura 4 mostramos el modo de hacer las conexiones a una llave del tipo rotativo.
Los cables que van de los jacks de entrada y salida de señales a las entradas y salidas de la placa deben ser blindados, con las mallas debidamente aterrizadas.
Los capacitores de menor valor (menos de 1 uF) pueden ser de poliéster metalizado o cerámicos. Los resistores de R1 a R23 deben ser preferentemente de película metálica, para evitar la generación de ruidos en el propio circuito.
Los transistores son de tipos comunes, pero se pueden utilizar equivalentes.
Los potenciómetros también son comunes, observándose que todos, menos el de oscilación, son dobles, pues deben controlar las señales de los dos canales.
Los circuitos integrados de los amplificadores de potencia deben estar dotados de buenos radiadores de calor.
Observe que las pistas que corresponden a esta parte del circuito, y que conducen corrientes más intensas, deben ser más anchas. El mantenimiento de esta anchura es muy importante para evitar inestabilidades y distorsiones.
El transformador será fijado en la caja metálica, ya que sirve de tierra para su carcasa, evitando así la propagación de ronquidos.
El LED es opcional, y el fusible se instala en la parte posterior de la caja, con acceso por el lado externo.
PRUEBA Y USO
Para probar el aparato conecte como carga altavoces apropiados: vea que la caja debe tener accesos separados para woofer y tweeter, sin el divisor de frecuencia, pues el divisor es activo en este proyecto.
La potencia de los altavoces debe estar de acuerdo con la potencia desarrollada por el circuito.
Al conectar la alimentación, abra el volumen verificando si no se producen roncos excesivos. Si esto ocurre, compruebe los aterramientos de los blindajes de los cables de entrada.
Acorte algunos de estos hilos si se considera necesario. Después, aplique en la entrada apropiada la señal de alguna fuente, seleccionándola por la clave S1. Las señales deben salir puros. Compruebe entonces la actuación de los controles de tono, balance y de agudos, separado para el tweeter.
Si observa anormalidad se puede utilizar un inyector de señales, un seguidor de señales o un osciloscopio.
El uso del Osciloscopio será interesante, pues permitirá acompañar las señales por el circuito, midiendo su intensidad y verificándose su fidelidad. La señal inyectada de un generador de audio con salida senoidal de 1 kHz será interesante para esta prueba.
También será importante verificar el consumo de la etapa amplificadora y si no se calienta excesivamente en reposo, lo que es una señal de problemas.
Comprobado el funcionamiento es sólo cerrar el aparato definitivamente en su caja y utilizarlo.
(El material que no es de la fuente - que incluye C1, D1, D2, C33, R47, LED y transformador - se debe duplicar en la versión estéreo).
Semiconductores:
Cl1 - 7812 - circuito integrado regulador de tensión
CI2 - TDA2005S (No sirve el M) - circuito integrado amplificador
D1, D2 - 1N5404 - diodos de silicio
Q1 - BC549 - transistores NPN de bajo ruido
Q2 a Q4 - BC548 o equivalente - transistores NPN de uso general
LED - LED rojo común
Resistores (1/8 W, 5%):
R1, R5 - 47 k ohms
R2, R4 - 470 k ohms
R3, R5, R35 - 39 K ohms
R7, R5 - 1 M ohms
R9, R18, R41, R43 - 1 k ohms
R10, R23 - 1k5 ohms
R11, R21 - 68 k ohms
R12, R33 - 470 ohms
R13 - 150 K ohms
R14, R26, R27 - 220 k ohms
R15, R24, R25, R29, R30, R32, R40 - 10 k ohms
R17 - 820 k ohms
R18 - 82 k ohms
E19 - 2,2 k ohms
R20 - 180 k ohms
R22 - 15 k ohms
R28, R39 - 4,7 k ohms
R31 - 33 k ohms
R34 - 330 k ohms
R36 - 6,8 k ohms
R37 - 560 ohms
R38 - 270 ohms
R42, R44, - 10 ohms
R45, R46 - 1 ohms
R.47 - 2,7 k ohms
R48 - 680 ohms
P1 - 100 ohms - potenciómetro doble registro (común a los dos canales)
P2, P3 - 100 k ohms - potenciómetro doble lin (común a los dos canales)
P4 - 100 k ohms - potenciómetro simple Iin (común a los dos canales)
P5 - 10 k ohms - potenciómetro simple de registro (común a los dos canales)
Los capacitores: (tensión mínima especificada para los electrolíticos, para los demás, de poliéster o cerámicos, 50 V o más de tensión de trabajo)
C1 - 220 pF - cerámico
C2, C4, C7, C16: C18, C19 - 47 uF - electrolíticos de 16 V
C3 - 1 uF - electrolítico de 25 V
C5 - 3,9 nF - cerámico o poliéster
C6 - 1 nF - cerámico o poliéster
C8, C11, C20, C21- 10 uF - electrolíticos de 16V
C3 - 150 pF - cerámico
C10, C26, C32, C33 - 100 nF - poliéster
C12, C13 - 33 nF - cerámicos o poliéster
C14, C15 - 2,2 nF - poliéster o cerámicos
C17 - 1,8 nF - poliéster o cerámico
C25 - 5,6 nF - cerámico
C23 - 100 pF - cerámico
C24, C27, C28, C29, - 2,2 uF - electrolíticos de 16
C22, C30, C31, C35 - 100 uF - electrolíticos de 16 V.
C34 - 2 200 uF - electrolítico de 25 V
C33- 4 700 uF - electrolítico de 25 V
C37 - 56 nF – cerámica
Varios:
T1 - Transformador con primario de acuerdo con la red local y secundaria de
12 + 12 V x 5 A.
F1 - Fusible de 3 A
S1 - interruptor simple
S2 - Llave de 4 polos x 4 posiciones - ver texto
J1 a J4 - jack RCA
Placa de circuito impreso, radiadores de calor para los cls, caja de metal para el amplificador, cable de alimentación, soporte de fusible, botones para los potenciómetros, terminales de salida para los altavoces, cables blindados, hilos, soldadura, etc.








