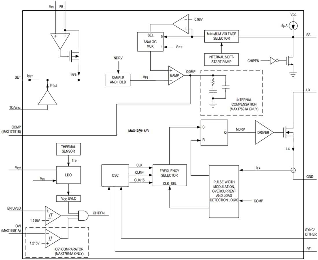
MAX17691A y MAX17691B Convertidores Flyback aislados de Maxim
Mouser Electronics presenta estos convertidores Flyback de Maxim que se caracterizan por su alta eficiencia, operando a frecuencia fija. La potencia de salida es de 7,5 W con una eficiencia de hasta el 90%. El dispositivo incluye un MOSFET de 76V integrado.




