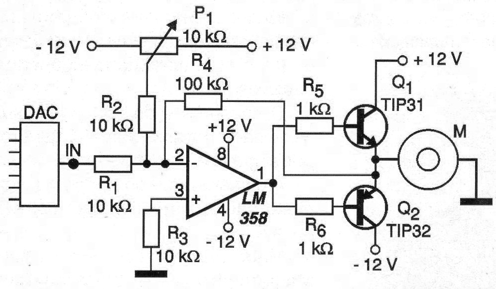
El control de un motor de corriente continua directamente desde señales digitales a través de un convertidor digital a analógico puede ser implementado a partir del circuito mostrado en la figura 1
En este circuito, las señales analógicas (tensión) obtenidas en la salida del convertidor D / A van a determinar la conducción de los transistores y con ello tanto la potencia aplicada al motor como su sentido de rotación.
La resolución del convertidor D / A utilizado determinará la precisión en el control, recordando que el rango de valores de salida va a ser simétrico con el centro de la escala significando 0 V o motor parado.
Esto ocurre porque la alimentación del motor es simétrica.
El ajuste correcto de esta pista se puede lograr a través del trimpot o el potenciómetro de ajuste P1.
El circuito está especificado para motores de 12 V pero motores de otras tensiones en el rango de 6 a 15 V pueden ser empleados.
La corriente máxima del motor para los transistores indicados es de 2 amperios.
En la figura 2 tenemos una sugerencia de placa de circuito impreso para el montaje de este control.
23
Observe que las pistas que trabajan con las cadenas más intensas para el motor deben ser más anchas.
Los amplificadores operacionales equivalentes al LM358 se pueden utilizar y la ganancia del circuito se puede cambiar en R4.
LISTA DE MATERIAL
CI-1 - LM358 - amplificador operativo
Q1 - TIP31 - transistores NPN de potencia
Q2 - TIP32 - transistores PNP de potencia
R1, R2, R3 - 10 k ohms x 1/8 W - resistores - marrón, negro, naranja
R4 - 100 k ohms x 1/8 W - resistor - marrón, negro, amarillo
R5, R6 - 1 k ohms x 1/8 W - resistores - marrón, negro, rojo
P1 - 10 k ohms - trimpot o pote
Varios:
Placa de circuito impreso, radiador de calor para los transistores, hilos, soldadura, etc.




