TLP170AM y TLP170GM T foto relés de Toshiba
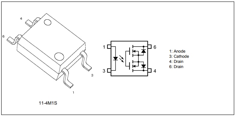
Toshiba pone a disposición a través de Mouser Electronis dos tipos de foto relés en gabinetes SO6 de 4 pines para montaje en superficie. Los componentes tienen una corriente de disparo de 1 mA y pueden controlar una corriente máxima de 700 mA. La resistencia máxima en el estado de conducción es de 0.3 Ohm.



