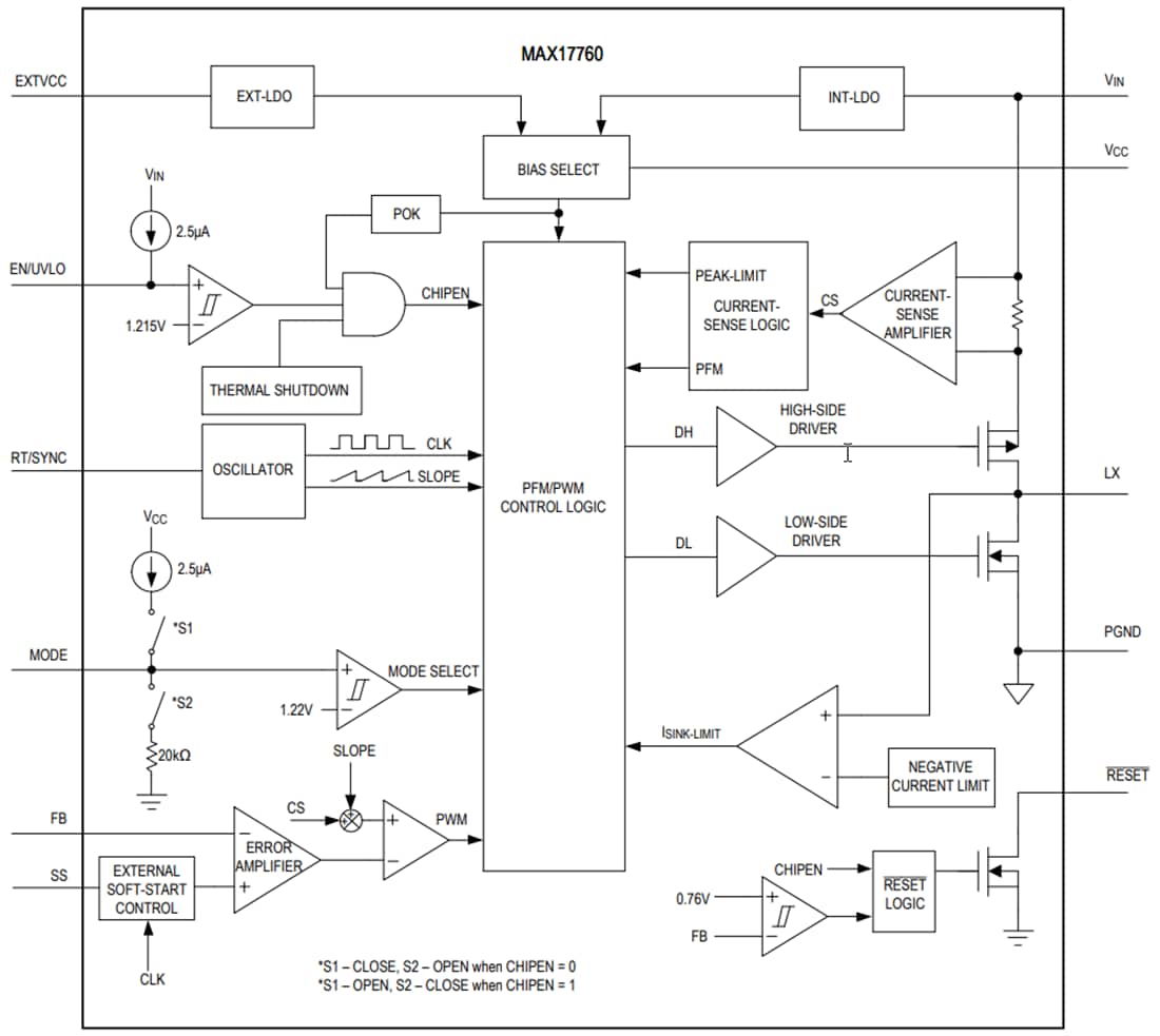
MAX17760 convertidor reductor de CC a CC de Maxim
Disponible en Mouser Electronics, este convertidor DC-DC de alta eficiencia de Maxim funciona con tensiones de entrada de 4.5 V a 76 V. Su rango de tensiones de salida es de 0.8 V a 88% de la tensión de entrada. La corriente de salida es de 300 mA y la frecuencia de funcionamiento puede variar de 200 kHz a 600 kHz.




