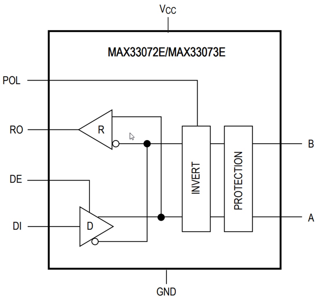
Transceptores Maxim MAX33072E y MAX33073E RS-485
Disponible en Mouser Electronics, estos componentes Maxim tienen un rechazo de entrada de hasta 40 V que excede los estándares RS-485 de - 7 a +12 V. Están indicados para diseñadores que usan componentes con tensiones de alimentación de 3.3 o 5V.




