El circuito integrado sensor de calidad del aire de alta sensibilidad B5W-LD010 de Omron encuentra aplicaciones en purificadores de aire, aire acondicionado, sistemas HVAC y otros. En este breve artículo damos algunas informaciones importantes sobre este componente.
Disponible en la Mouser Electronics en https://www.mouser.com/new/Omron-Electronics/omron-b5w-ld0101/ el sensor B5W-LD0101 utiliza una tecnología sensora a través de LED que permite la detección de partículas de hasta 0,5 uno.
En la tabla abajo tenemos sus características eléctricas que se pueden acceder directamente en el datasheet en: https://www.mouser.com/ds/2/307/en_b5w-ld0101-1_2-1274538.pdf .

Un gráfico importante para las aplicaciones de este tipo de componente es el que muestra la capacidad de detección de partículas de polvo que se muestra en la figura 1.

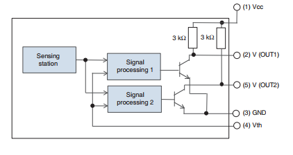
El diagrama de bloques del sensor se muestra en la figura 2.

La información sobre las dimensiones del componente y su modo de instalación se encuentra en el datasheet.



