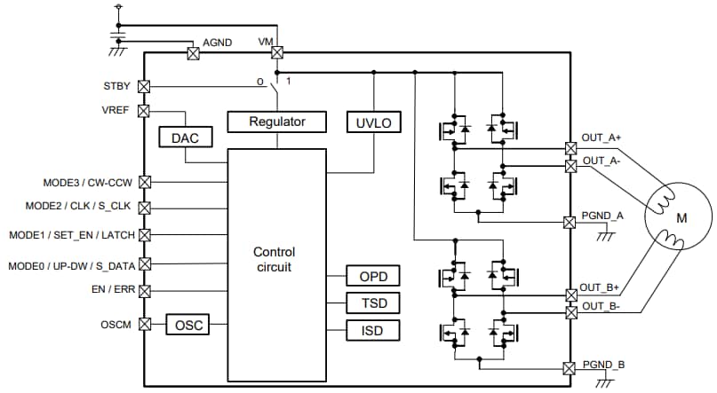
TC78H670FTG Toshiba Controlador bipolar de motor de paso
Disponible a través de Mouser Electronics, este controlador para 2 A tiene dos puentes internos y puede operar con voltajes de alimentación de 2.5 a 16 V. Además, tienen varias características avanzadas que pueden analizarse en la hoja de datos disponible en:



