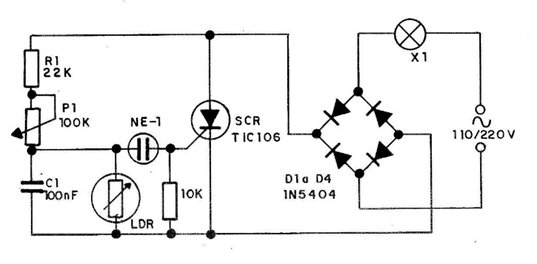
Nuestra aplicación para un SCR en una red de 110 V o 220 V CA es un circuito que enciende automáticamente una bombilla cuando oscurece y la apaga al amanecer. El sensor es un LDR común que debe apuntar hacia el cielo, para recibir solo la luz ambiental y no la luz de la lámpara que controla, ya que esta traería una retroalimentación capaz de causar oscilaciones. El ajuste del punto de disparo se realiza en el potenciómetro. En la figura tenemos el esquema de este interruptor. El SCR tendrá un radiador de calor.

Material:
SCR – TIC106 o equivalente
LDR – Foto-resistor común
NE-1 – Lámpara de neón común
P1 – 100 k ohm – potenciómetro
R1 – 22 k ohm – resistor
R2 – 10 k ohm – resistor
C1 – 100 nF x 100 V o más – capacitor de poliéster
Diversos:
Placa de circuito impreso, radiador para el SCR, etc.



