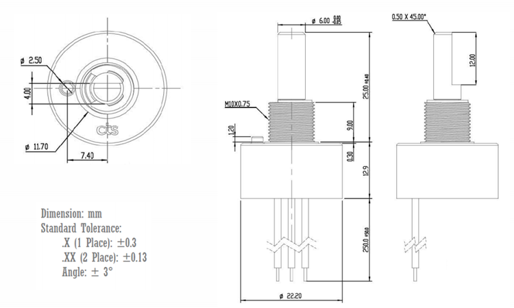
Serie 285 de Sensores de posición sin contactos de STS
Estos sensores de STS sin contacto, distribuidos por Mouser Electronics con sólo 22 mm de tamaño, pueden funcionar con velocidades máximas de 120 rpm. Las aplicaciones incluyen posicionamiento de pacientes, válvulas de control, actuadores, etc.




