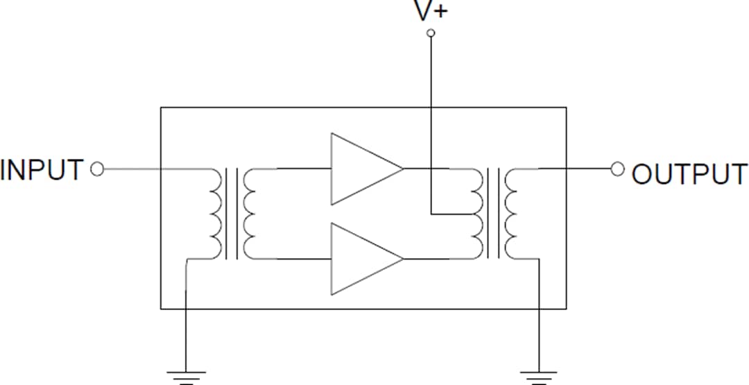
QPA3357 Módulo Amplificador Plegadora de potencia Qorvo
Este módulo de potencia de Qorvo, suministrado por Mouser Electronics, opera con frecuencias de 47 MHz a 1218 MHz y tiene una ganancia de 28 dB a 1218 MHz. La potencia es de 57 dBmV / ch en 1,2 GHz. 440 mA en 24 V.




