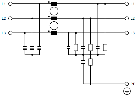
Los filtros EMC trifásicos Schaffner FN3040 / FN3041 / FN3042 / FN3043 están diseñados para aplicaciones de baja corriente de fuga y proporcionan una corriente de fuga tan baja como 0,19 mA. Estos filtros compactos y de alto rendimiento cuentan con una carcasa de plástico y una placa de tierra metálica para lograr el menor peso posible sin comprometer el comportamiento EMC. Los terminales incorporados son fáciles de usar y proporcionan conexiones eléctricas confiables y duraderas. Las cubiertas de terminales fijas y con bisagras protegen contra el contacto involuntario con conductores activos para mejorar la seguridad general. Los filtros EMC trifásicos Schaffner FN3040/FN3041/FN3042/FN3043 vienen en un factor de forma estándar de la industria con una construcción respetuosa con el medio ambiente que no utiliza compuestos de encapsulamiento ni sustancias prohibidas (RoHS). Estos filtros son adecuados para redes con requisitos estrictos y para aplicaciones donde la seguridad y la confiabilidad son cruciales. Las aplicaciones típicas incluyen dispositivos médicos, automatización industrial, equipos eléctricos y electrónicos, dispositivos de prueba y medición y máquinas pequeñas.




