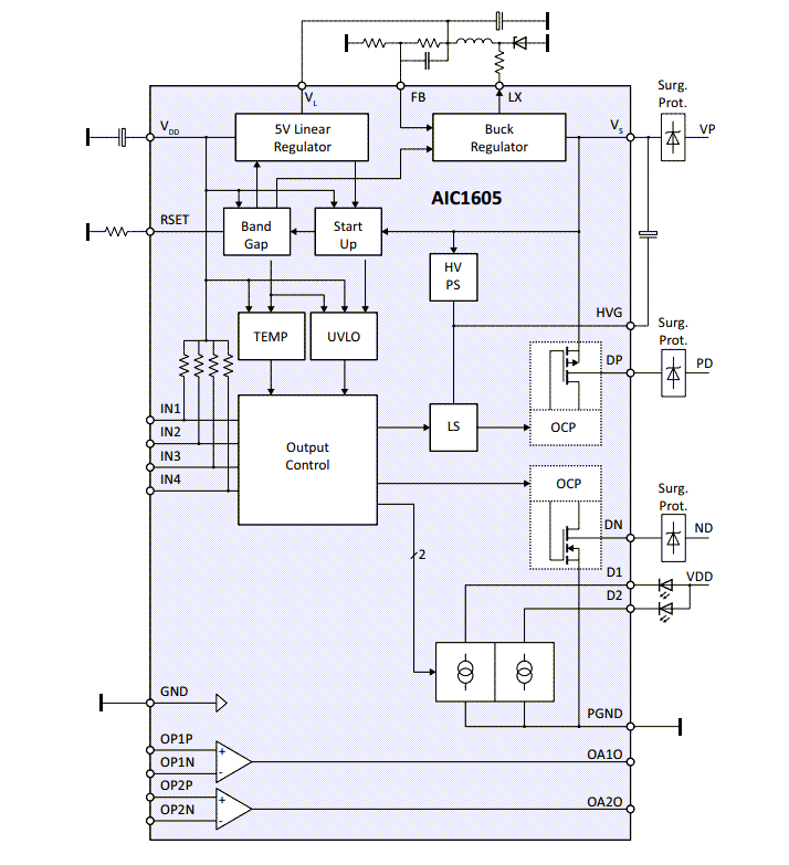
El CI de interfaz de alta tensión AIC1605 de Apex Microtechnology cuenta con salidas de drenaje abierto de alta tensión tipo N y tipo P, un regulador reductor y lineal, dos OP-AMP y dos controladores LED. El AIC1605 es muy adecuado para construir una interfaz de sensor de tres cables. El CI de interfaz de alta tensión AIC1605 de Apex Microtechnology ofrece un amplio rango de tensión de suministro de 5 V a 36 V y se puede utilizar como etapa de potencia o salida para otras aplicaciones.




