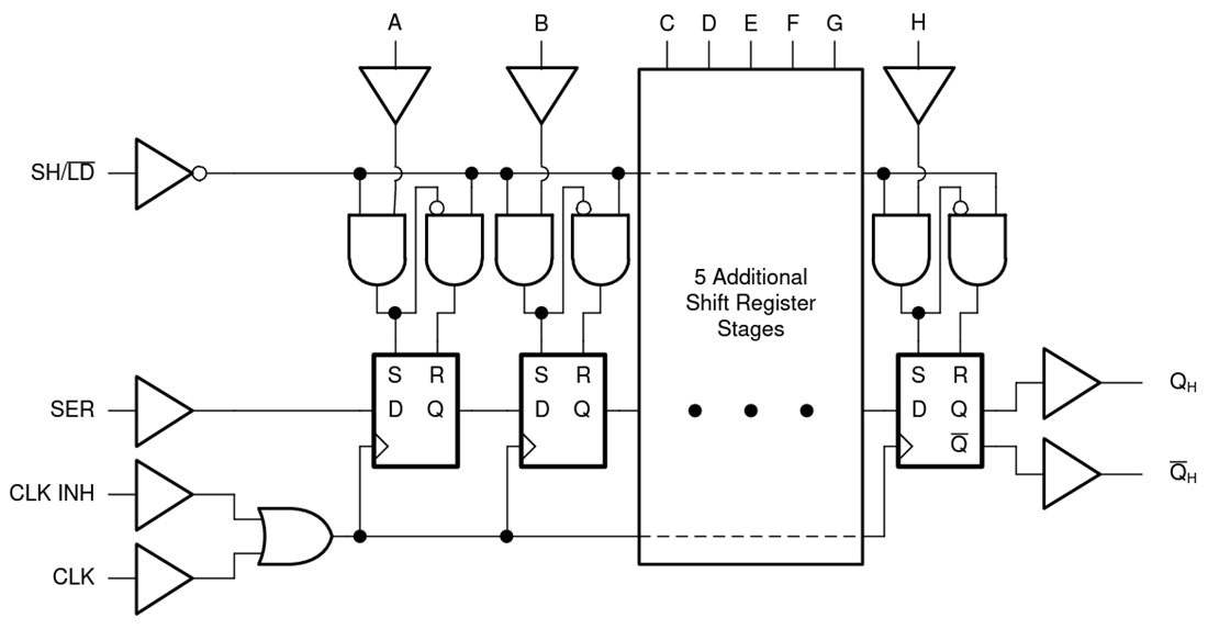
El registro de desplazamiento de 8 bits SN74LV165B-EP de Texas Instruments es un registro de desplazamiento de 8 bits de carga paralela diseñado para funcionamiento VCC de 2 V a 5,5 V. Cuando el dispositivo está sincronizado, los datos se transfieren a la serie QH de salida. El acceso paralelo a cada etapa es proporcionado por ocho entradas de datos directas individuales, habilitadas por un nivel bajo en la entrada de cambio/carga (SH/LD). Los dispositivos SN74LV165B-EP disponen de función de inhibición de reloj y de una salida serie suplementada, QH. Este dispositivo está completamente especificado para aplicaciones de apagado parcial que utilizan Ioff. El circuito Ioff desactiva las salidas, evitando el reflujo de corriente dañina a través de los dispositivos cuando están apagados. El dispositivo Texas Instruments SN74LV14B-EP cuenta con cables conductores de oro, un rango de temperatura de –55 °C a +105 °C y un acabado de cables SnPb.




