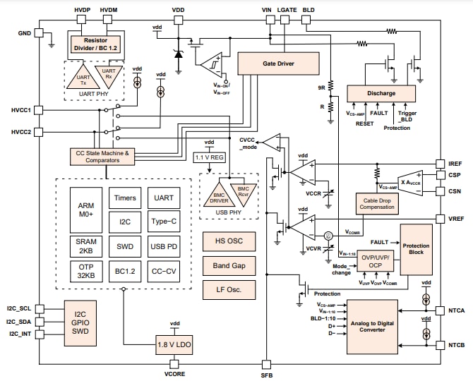
El controlador onsemi FUSB15101 USB Type-C™ es una fuente de alimentación y controlador USB Power Delivery (PD) altamente integrado. El controlador onsemi controla el optoacoplador en el lado secundario de un adaptador de CA-CC o un regulador de potencia de puerto de CC-CC. El FUSB15101 permite una solución completa para fuentes de alimentación USB a través de periféricos de hardware optimizados y firmware integrado de código abierto completo.




