MSP430FR2422 Microcontroladores de ultra bajo consumo de Texas Instruments
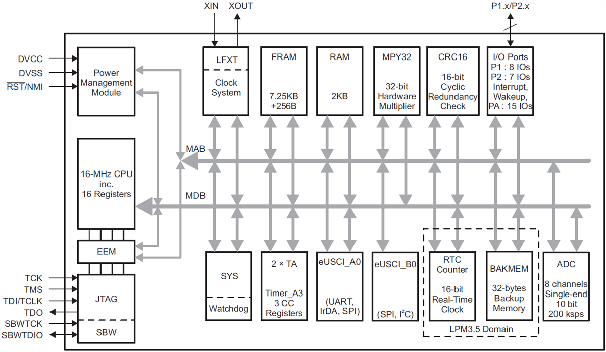
La serie de MCUs MSP430FR2422 de Texas Instruments disponibles en Mouser Electronics forma parte de la serie MSP430 de microcontroladores que se indica para aplicaciones de bajo costo y de medida. Los microcontroladores de serie tienen 8 kB de memoria no volátil, ADC de 10 bits con 8 canales y arquitectura FRAM.




