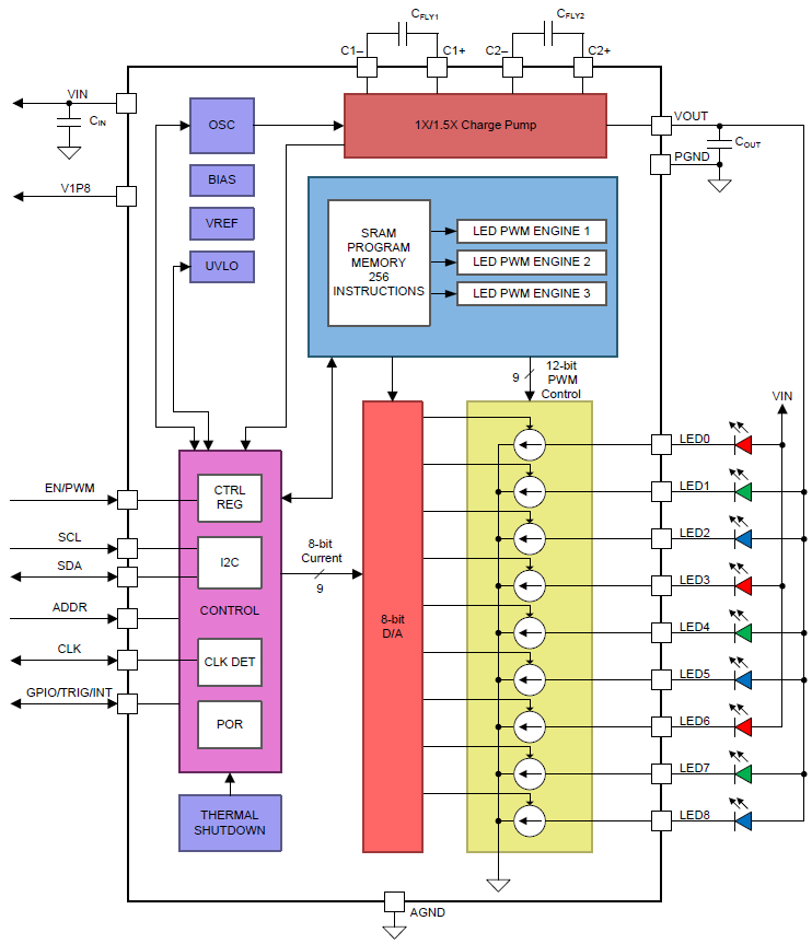
El LP5569 de Texas Instruments, que se puede encontrar en Mouser Electronics, consiste en un LED controlador RGB con interfaz I2C que contiene 9 canales fáciles de usar que se recomienda para la producción de efectos de luz en varias aplicaciones. El circuito es alimentado por una tensión de 25 a 5,5 V y cada canal puede drenar 25 mA de corriente. La frecuencia PWM va de 100 Hz a 25 kHz.




