HS300x Sensores de humedad y temperatura de IDT
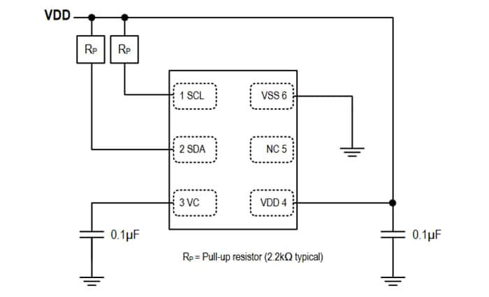
Se pueden obtener en la Mouser Electronics los sensores de humedad y temperatura HS300x de IDT con aplicaciones en control de clima, electrodomésticos, estaciones de tiempo, automatización industrial, equipo médico, etc. La precisión es del 1,5% y la salida digital de 14 bits. La alimentación va de 1,8 a 5,5 V.




