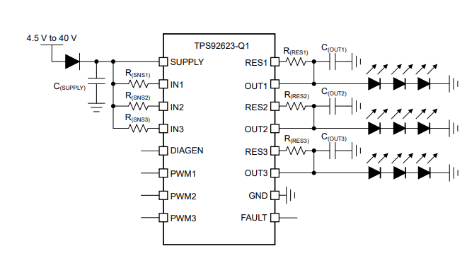
El controlador LED automotriz de lado alto TPS92623-Q1 de Texas Instruments es un dispositivo de tres canales con un diseño de administración térmica único para reducir el aumento de temperatura. Las baterías automotrices alimentan directamente el controlador lineal TPS92623-Q1 con amplias variaciones de voltaje para producir cargas de corriente completa de hasta 150 mA por canal. Las resistencias de derivación externas se aprovechan para compartir la corriente de salida y disipar la potencia del controlador. Las funciones de diagnóstico completas del controlador TPS92623-Q1 incluyen LED abierto, circuito de LED en cortocircuito a GND y protección contra sobretemperatura del dispositivo. La función TI TPS92623-Q1 one-fail-all-fail puede funcionar junto con otros controladores LED como TPS9261x-Q1, TPS9262x-Q1, TPS92630/8-Q1 y TPS92830-Q1 para cumplir con diferentes requisitos.




