Los amplificadores operacionales nanoPower Max40018 de Maxim presentan características de ultra bajo consumo de energía, del orden de 400 nA por canal, siendo ideales para aplicaciones alimentadas por batería. Con una alimentación simple de 1,7 a 5,5 V es ideal para aplicaciones con baterías de 1,6, 2,5 y 3,3 V. En este artículo enfocamos algunas de sus características y damos circuitos de aplicaciones del propio datasheet del producto componente.
Los amplificadores operativos MAX40018 de Maxim se suministran en envoltorios WLP-8 y TDFN-8 con los pinos mostrados en la figura 1.


El producto ganado x banda pasante para estos componentes es de 9 kHze las salidas son rail-to-rail. La información completa se puede obtener en el datasheet en: https://br.mouser.com/pdfdocs/MAX40018.pdf
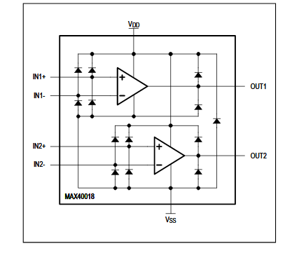
El diagrama de bloques de este componente se muestra en la figura 2.

En el datasheet también se pueden encontrar gráficos funcionales de estos componentes.
A continuación damos algunas aplicaciones prácticas sugeridas por el propio fabricante.
Detector de movimiento
El circuito que presentamos a continuación es un sensor piroeléctrico de movimiento basado en los dos amplificadores operativos del MAX40018 de Maxim. El circuito puede ser alimentado por tensiones en el rango de 1,8 a 5,5 V y tiene un consumo extremadamente bajo.
Detector de gas con MAX40018
Este circuito del propio manual de Maxim tiene una baja tensión de alimentación y la corriente de polarización de entrada es de 1 pA. La alimentación se puede realizar con tensiones de 1,7 a 5 V.
El MAX40018 puede adquirirse en Mouser Electronics a través del enlace: https://br.mouser.com/new/maxim-integrated/maxim-max40018-nanopower-amps/





