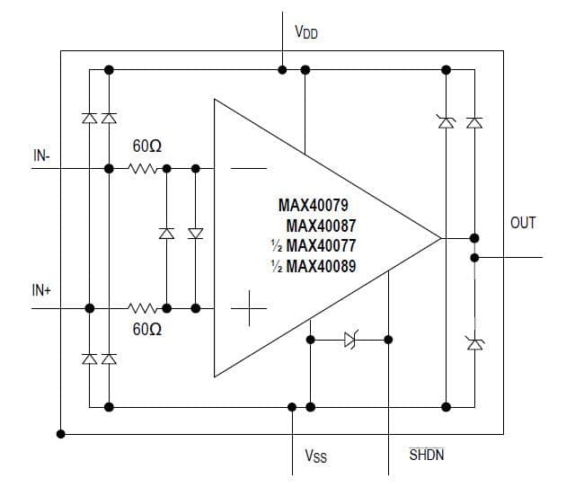
MAX40079 a MAX40087 Amplificadores de bajo ruido de Maxim
Disponibles en la Mouser Electronics, estos amplificadores operacionales pueden funcionar con tensiones de 2,7 a 5,5 V que drenan sólo 2,2 mA de corriente. La distorsión de esta familia es de 0,0002% (THD) además de tener características de baja densidad de ruido de entrada. Sus aplicaciones van desde amplificadores de transimpedancia, pruebas de pH y búferes ADC.




