LTC4417 Controladores de potencia PowerPath de Linear
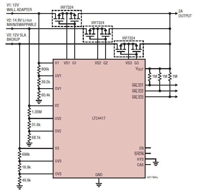
Este componente de Linear Technology (Analog Devices) de Mouser Electronics consiste en un controlador que conecta una de tres fuentes de alimentación a una carga basada en prioridad. El circuito opera con tensiones de 2,5 a 36 V. En el enlace más información y debajo del circuito de aplicación:




