LTC2668 Convertidores Analógico para Digital de Linear
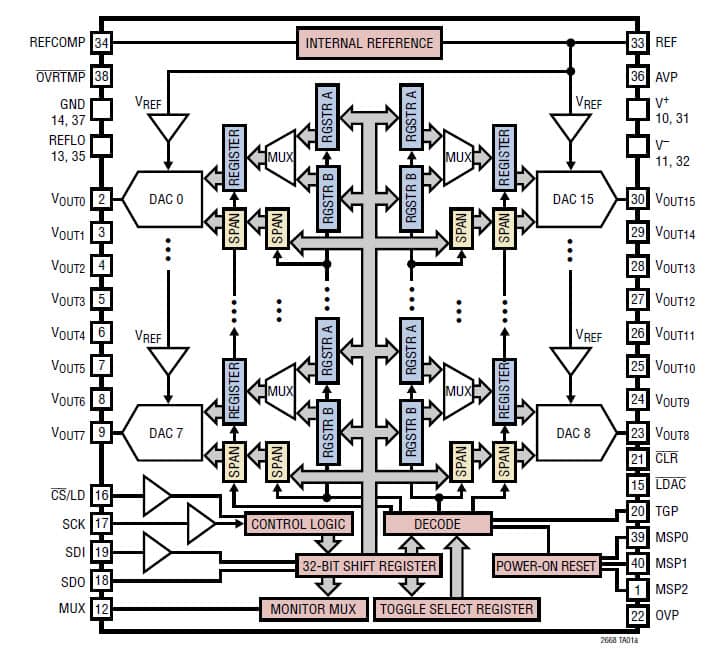
Los convertidores analógicos a digital (ADC) LTC2668 de Linear Technologu (Analog Devices) de 12 y 12 bits con 16 canales pueden adquirirse en la Mouser Electronics. El circuito opera en bandas de 0 a 5, 0 a 10 y -2,5 a +2,5 V o -10 a +10 V independientemente de las bandas de tensión de salida programables.

----------------



