LT8391 Controladores de LED Book Boost Sincronizados de Linear
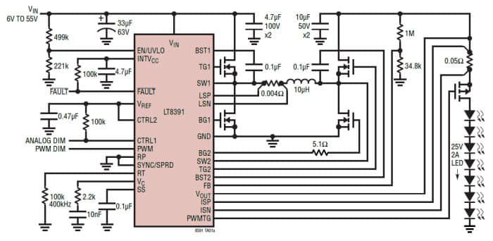
Linear Technology / Analog Devices a través de Mouser Electronics está disponible el LT8391 que consiste en un controlador sincronizado Buck-boost para LEDs con 4 llaves. El controlador regula la tensión de salida y la corriente de entrada o de salida, pudiendo proporcionar salidas de 0 a 60 V con tensiones de entrada de 4 a 60 V.

----------------



