LTC3260 Convertidor Charge Pump para Fuentes Simétricas de Linear
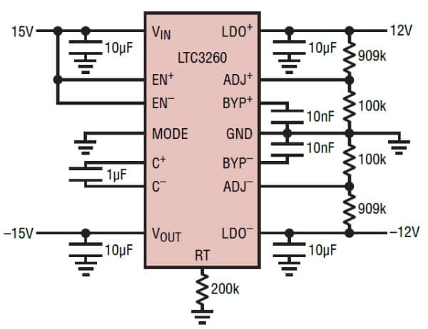
Mouser Electronics ya tiene en stock los convertidores para fuentes simétricas (dual) LTC320 Inversores de Linear Technology / Analog Devices. Los convertidores operan con tensiones de entrada de 4,5 a 32 V y corrientes de salida de hasta 100 mA. En la figura siguiente tenemos una aplicación típica y más informaciones se pueden obtener en el enlace:

----------------



