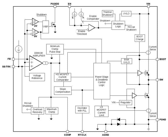
TPS5424 Convertidores Swift Step Down de 4 A Texas Instruments
Estos convertidores step-down (escalables) de 4 A, disponibles en el Mouser Elecgtronics, encuentran aplicaciones en telecom, wireless, test y medida además de muchas otras. Fabricados por Texas Instruments, tienen una frecuencia de conmutación fija de 200 kHz a 1,6 MHz tensiones de oscilación de 0,6 a 12 V.

----------------



