LTM2881 y LTM2885 Transceptores RS485 y RS422 de Linear
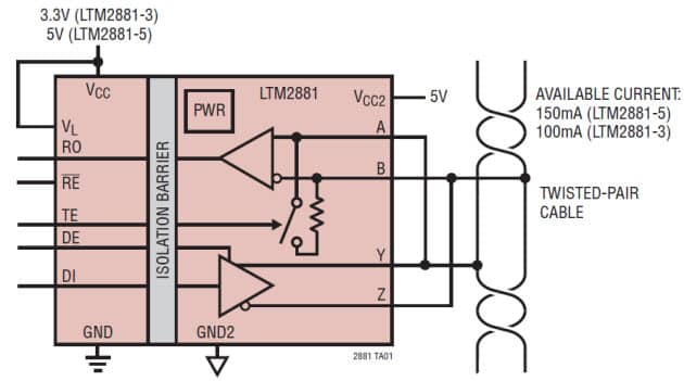
Linear Technology / Analog Devices está ofreciendo a través de Mouser Electronics el LTM2881 y LTM2885, transceptores RS485 y RS422 uModule® completamente aislados galvanicamente full duplex. Los componentes tienen aisladores de 2500 Vrms y 6500 Vrms tenso salida aislada de 5 V.

----------------



