THDV15xx Transceptores RS485 y RS422 de Texas Instruments
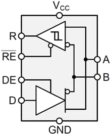
Disponibles en Mouser Electronics, los circuitos integrados THVD15xx consisten en transceptores RS-485 y RS-422 de Texas Instruments. Los componentes operan con tensiones de alimentación de 4,5 a 5,5 V siendo indicados para aplicaciones en la automatización y control industrial además de otras.

----------------



